9200.24

9200.24

多层矩形电缆入口板,刚性框架 Membrane cable entry systems in self-extinguishing elastomer reinforced with a glass fiber polypropylene structure.• Double seal to improve cable trac

产品特征

  • 技术信息
  • 材质和处理
  • 重量和尺寸
  • 包装信息
  • 类别和数据排列
  • 认证
工作温度范围(静态)
-40 ÷ 100   °C
颜色
灰色
螺距
M5
存在包覆成型垫圈
是的
材质
聚丙烯 + 玻璃纤维
不含硅
是的
不含卤素
是的
固定件材质
A2 级不锈钢
包覆成型垫片材料
TPE 热塑性弹性体
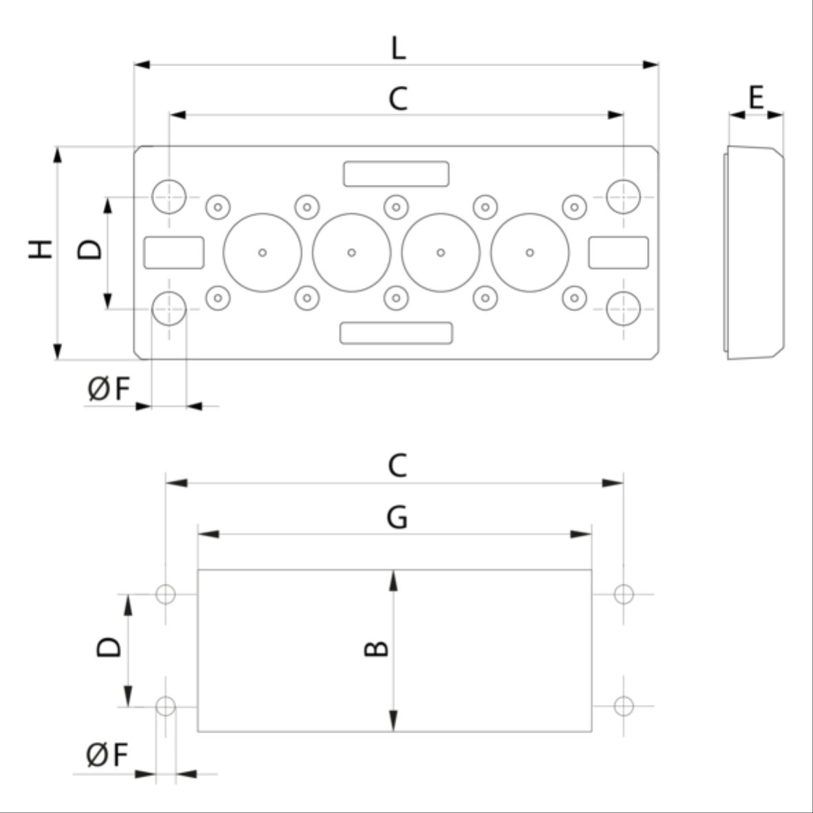
固定孔的直径
5.5   mm
高度
61   mm
宽度
150   mm
作业净重
110   g
固定孔垂直中心距
32   mm
固定孔水平中心距
130   mm
深度
16   mm
钻孔外型高度
36 ÷ 46   mm
钻孔外型长度
112   mm
最小包装单元
10   PCE
标准包装单位
10   PCE
海关编码
39269097
UL94标准下的灭弧等级
V0
NEMA 类型
1 (NEMA); 12 (NEMA)
IP防护等级
IP66
EN ISO 4892-2
是的

产品型号

9200.24
技术信息 重量和尺寸
tipo 电缆穿入数量 每个电缆直径范围内的电缆数量 电缆套直径范围 [mm]
9200.24/14 14 10 [3-6.5]; 4 [16-22] 3 - 22
9200.24/15 15 15 [7.5-12] 7.5 - 12
9200.24/20 20 8 [3-6.5]; 6 [4.8-10.2]; 2 [7.5-12]; 4 [9-16.2] 3 - 16.2
9200.24/22 22 6 [3-6.5]; 6 [4.8-10.2]; 10 [7.5-12] 3 - 12
9200.24/24 24 6 [3-6.5]; 16 [4.8-10.2]; 2 [7.5-12] 3 - 12
9200.24/25 25 12 [3-6.5]; 7 [4.8-10.2]; 6 [7.5-12] 3 - 12
9200.24/26 26 26 [4.8-10.2] 4.8 - 10.2
9200.24/32 32 21 [3-6.5]; 8 [4.8-10.2]; 3 [7.5-12] 3 - 12
9200.24/42 42 42 [3-6.5] 3 - 6.5

注意:并非所有资源都以您的语言提供。如果未以您选择的语言显示产品信息,则会显示该信息。 随着时间的推移,我们将继续改善体验。

产品信息

  • 品牌: 森博尔 CEMBRE
  • 分类: Multi-membrane cable entry plates
  • 认证:
  • 描述: Membrane cable entry systems in self-extinguishing elastomer reinforced with a glass fiber polypropylene structure.• Double seal to improve cable trac

热门搜索