DK-M接地网络插头

DK-M接地网络插头

用于接地网络的电缆耳,适用于两根铜导线 DK-M接地网络插头 用于接地网络的电缆耳,适用于两根铜导线

产品特征

  • 技术信息
  • 材质和处理
  • 重量和尺寸
  • 类别和数据排列
  • 认证
最低工作温度
-50   °C
最高工作温度
150   °C
接环孔数量
1
存在快接入口
是的
表面处理
镀锡
压接的几何形态
椭圆
导体材质
电解铜纯度99.95%以上
退火
是的
螺栓直径
M12
孔眼内径
13   mm
紧固扭矩(建议值?UL?)(高导电螺钉)
40   Nm
紧固扭矩(建议值?UL?)(8.8级螺钉)
50   Nm
海关编码
85369010
符合ROHS标准
Yes

产品型号

DK-M
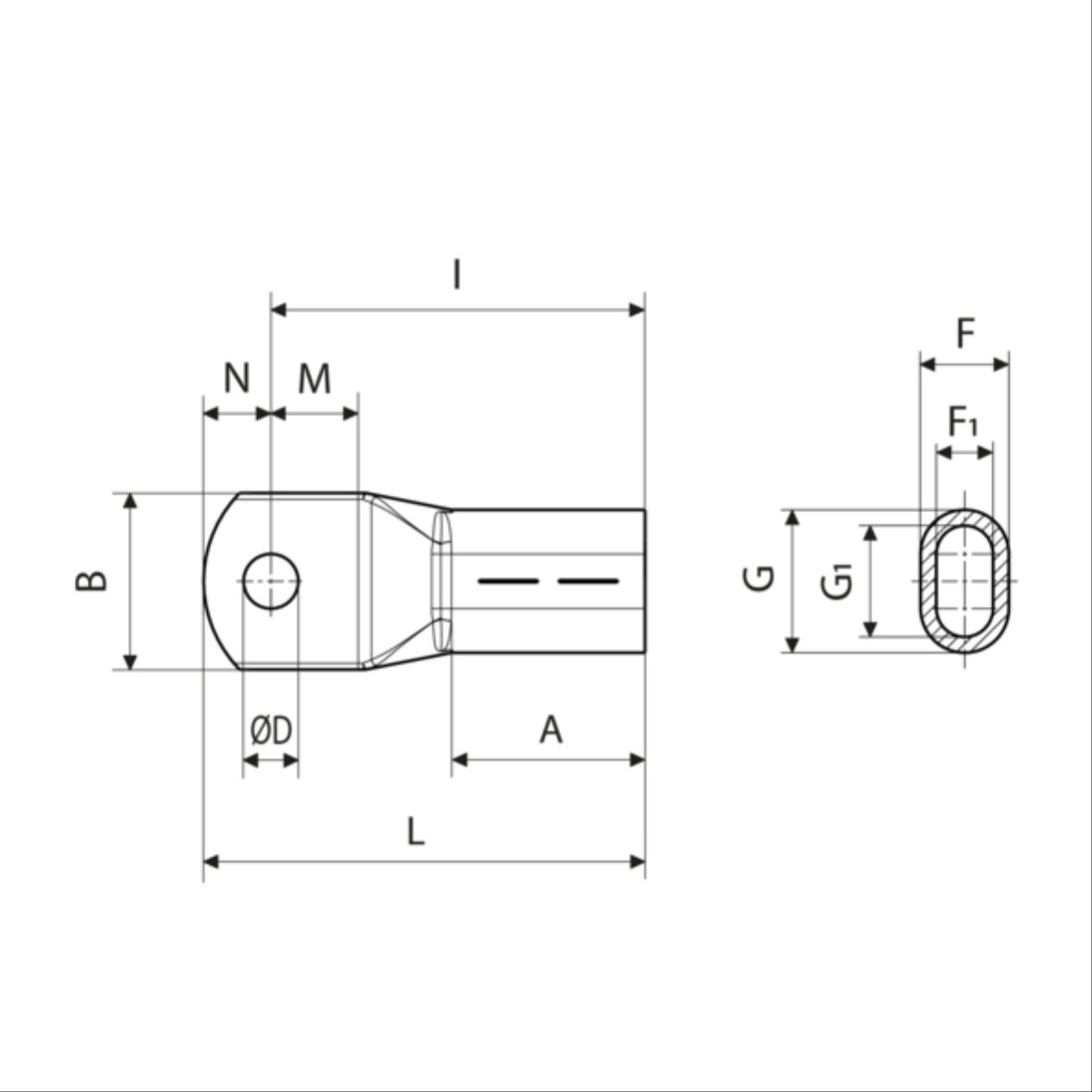
技术信息 重量和尺寸 包装信息
tipo 电缆截面范围 [mm²] B [mm] N [mm] M [mm] I [mm] L [mm] A [mm] Ø [mm] 电缆剥皮长度 [mm] Ø1 [mm] 槽孔接套内部高度 [mm] 槽孔接套外部长度 [mm] 槽孔接套外部高度 [mm] 槽孔接套内部长度 [mm] 最小包装单元 [pce] 标准包装单位 [pce]
DK50-M12 50 34 14.5 22 79 93.5 39 10.75 43 17.25 10.75 27.1 17.25 20.6 10 30
DK70-M12 70 37 14.5 22 83 97.5 43.5 12 48 18.5 12 29.5 18.5 23 10 10
DK95-M12 95 42 16 23 92 108 49 13.5 54 21 13.5 34 21 26.5 10 10
DK120-M12 120 48 14.5 24 100.5 115 55 15.5 61 23 15.5 37 23 29.5 5 5

注意:并非所有资源都以您的语言提供。如果未以您选择的语言显示产品信息,则会显示该信息。 随着时间的推移,我们将继续改善体验。

产品信息

  • 品牌: 森博尔 CEMBRE
  • 分类: 分导连接器
  • 认证:
  • 描述: DK-M接地网络插头 用于接地网络的电缆耳,适用于两根铜导线

热门搜索