S-PP平卡套耳
平卡套耳,非绝缘,带钎焊环,用于铜导体

S 系列电缆挂耳由纯度超过 99.9% 的电解镀锡铜带制成。
由于采用了钎焊、电解退火和镀锡工艺,连接器更容易压缩,抗机械应力能力更强。
套圈内侧的滚花改善了与导体的接触,提高了整体抗拉强度。
产品特征
- 技术信息
- 材质和处理
- 重量和尺寸
- 包装信息
- 类别和数据排列
- 认证
产品型号
|
重量和尺寸 |
包装信息 |
|
tipo
|
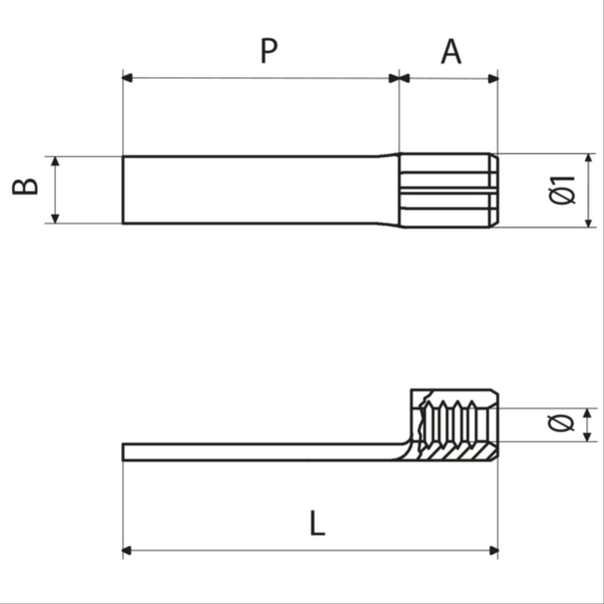
B [mm]
|
P [mm]
|
L [mm]
|
A [mm]
|
Ø [mm]
|
电缆剥皮长度 [mm]
|
标准包装单位 [pce]
|
|
S1.5-PP12
|
3
|
12.8
|
17
|
4.2
|
1.8
|
5
|
8000
|
|
S1.5-PP12/1
|
3
|
11.3
|
15.5
|
4.2
|
1.8
|
5
|
8000
|
|
S1.5-PP12/19
|
1.9
|
13.2
|
17.4
|
4.2
|
1.8
|
5
|
8000
|
|
S1.5-PP14
|
3
|
14.8
|
19
|
4.2
|
1.8
|
5
|
8000
|
|
重量和尺寸 |
包装信息 |
|
tipo
|
B [mm]
|
P [mm]
|
L [mm]
|
A [mm]
|
Ø [mm]
|
电缆剥皮长度 [mm]
|
标准包装单位 [pce]
|
|
S2.5-PP12
|
3.5
|
12.8
|
17
|
4.2
|
2.4
|
5
|
7000
|
|
S2.5-PP12/25
|
2.5
|
13.3
|
17.5
|
4.2
|
2.4
|
5
|
7000
|
|
S2.5-PP16/25
|
2.5
|
17.2
|
21.4
|
4.2
|
2.4
|
5
|
7000
|
|
重量和尺寸 |
包装信息 |
|
tipo
|
B [mm]
|
P [mm]
|
L [mm]
|
A [mm]
|
Ø [mm]
|
电缆剥皮长度 [mm]
|
标准包装单位 [pce]
|
|
S6-PP12
|
4
|
13.3
|
19.7
|
8
|
3.6
|
7
|
4000
|
|
S6-PP17
|
2.9
|
19.1
|
25.5
|
8
|
3.6
|
7
|
4000
|
注意:并非所有资源都以您的语言提供。如果未以您选择的语言显示产品信息,则会显示该信息。 随着时间的推移,我们将继续改善体验。