N-P圆卡套

N-P圆卡套

用于铜导线的圆形、非绝缘、非钎焊卡套式接线片 N 系列电缆线耳由纯度超过 99.9 % 的电解铜带制成。 由于采用了退火和电解镀锡工艺,连接器更容易压缩,抗机械应力能力更强。 套圈内侧的滚花改善了与导体的接触,提高了整体抗拉强度。

产品特征

  • 技术信息
  • 材质和处理
  • 重量和尺寸
  • 包装信息
  • 类别和数据排列
  • 认证
最低工作温度
-50   °C
最高工作温度
150   °C
表面处理
镀锡
压接的几何形态
缩进
导体材质
电解铜纯度99.95%以上
退火
是的
包头类型
最小包装单元
100   PCE
海关编码
85369010
符合ROHS标准
Yes

产品型号

RN-P
电缆截面范围 [mm²] 0.25 ÷ 1.5
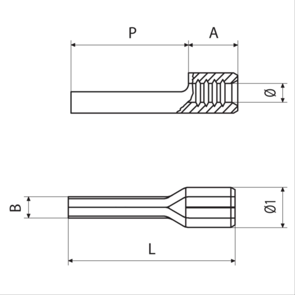
重量和尺寸 包装信息
tipo B [mm] P [mm] L [mm] A [mm] Ø [mm] 电缆剥皮长度 [mm] Ø1 [mm] 标准包装单位 [pce]
RN-P8 1.6 7.8 12 4.2 1.8 5 3.4 8000
RN-P10 1.6 9.8 14 4.2 1.8 5 3.4 8000
RN-P12 1.6 12 16.2 4.2 1.8 5 3.4 8000
BN-P
电缆截面范围 [mm²] 1.5 ÷ 2.5
重量和尺寸 包装信息
tipo B [mm] P [mm] L [mm] A [mm] Ø [mm] 电缆剥皮长度 [mm] Ø1 [mm] 标准包装单位 [pce]
BN-P8 1.8 7.8 12 4.2 2.4 5 4 7000
BN-P10 1.8 9.8 14 4.2 2.4 5 4 7000
BN-P12 1.8 11.8 16 4.2 2.4 5 4 7000
GN-P
电缆截面范围 [mm²] 4 ÷ 6
重量和尺寸 包装信息
tipo B [mm] P [mm] L [mm] A [mm] Ø [mm] 电缆剥皮长度 [mm] Ø1 [mm] 标准包装单位 [pce]
GN-P10 2.2 10.4 16.8 8 3.6 7 5.6 4000
GN-P12 2.2 12.6 19 8 3.6 7 5.6 4000
GN-P14 2.2 14.6 21 8 3.6 7 5.6 3500

注意:并非所有资源都以您的语言提供。如果未以您选择的语言显示产品信息,则会显示该信息。 随着时间的推移,我们将继续改善体验。

产品信息

  • 品牌: 森博尔 CEMBRE
  • 分类: 适用于铜线
  • 认证:
  • 描述: N 系列电缆线耳由纯度超过 99.9 % 的电解铜带制成。
    由于采用了退火和电解镀锡工艺,连接器更容易压缩,抗机械应力能力更强。
    套圈内侧的滚花改善了与导体的接触,提高了整体抗拉强度。

热门搜索