A-U支腿套

A-U支腿套

叉形接线片,用于铜导线 A-U 系列电缆挂耳由纯度超过 99.9% 的电解铜带制成。它们是接触器、热继电器等终端连接的理想选择,并配有拴式螺钉。 由于采用了银合金钎焊、电解退火和镀锡工艺,连接器更容易压缩,抗机械应力能力更强。

产品特征

  • 技术信息
  • 材质和处理
  • 包装信息
  • 类别和数据排列
  • 认证
最低工作温度
-50   °C
最高工作温度
150   °C
短时运行温度阈值
130   °C
表面处理
镀锡
导体材质
电解铜纯度99.95%以上
退火
是的
铜焊接套
是的
最小包装单元
100   PCE
海关编码
85369010
符合ROHS标准
Yes

产品型号

A-U
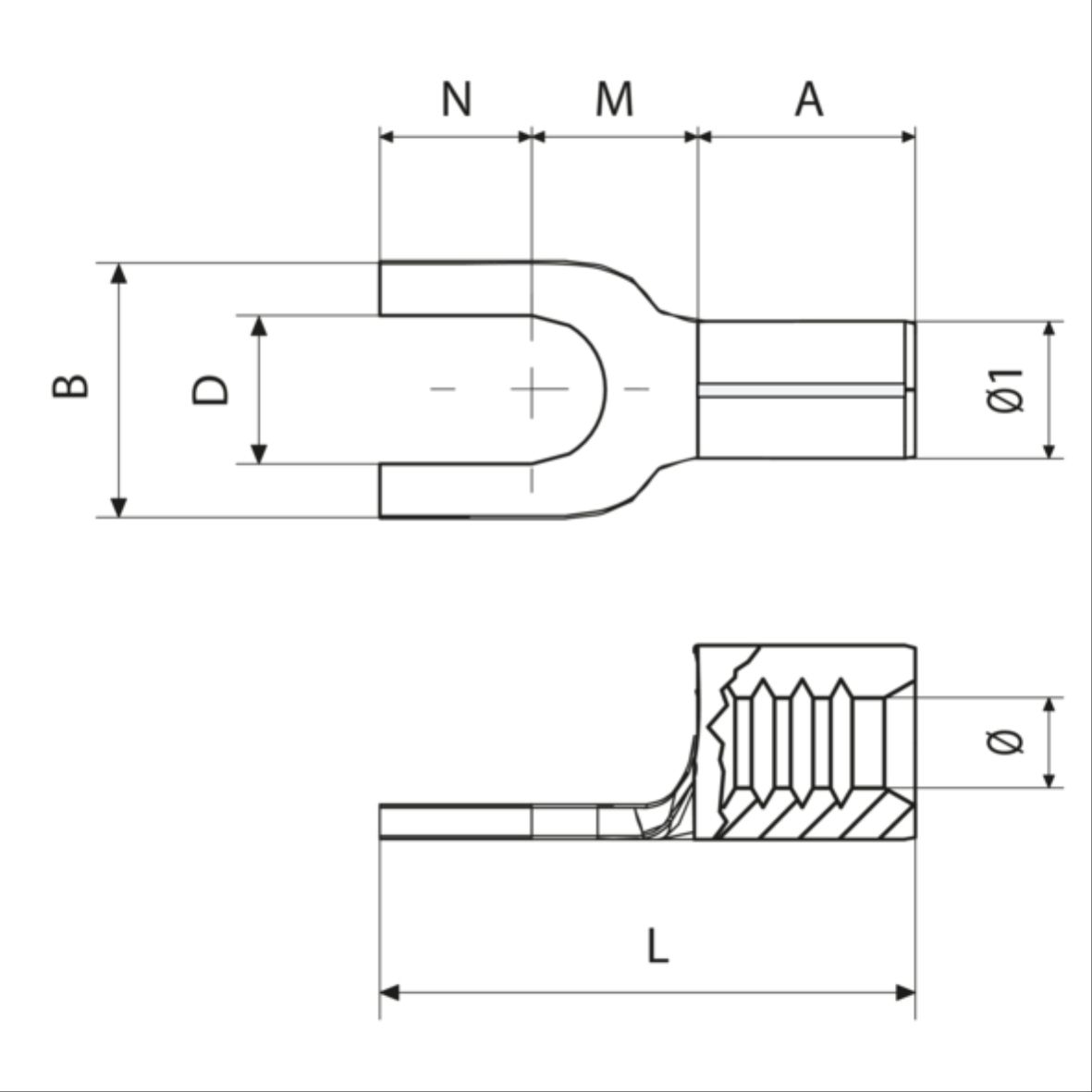
技术信息 重量和尺寸 包装信息
tipo 压接的几何形态 电缆截面范围 [mm²] 螺栓直径 B [mm] M [mm] I [mm] D [mm] N [mm] L [mm] A [mm] Ø [mm] 电缆剥皮长度 [mm] Ø1 [mm] 标准包装单位 [pce]
A2-U4 六角; 缩进 10 M4 9.8 7.5 16.5 4.3 7 23.5 9 4.8 10 6.8 1500
A2-U5 六角; 缩进 10 M5 11.5 7.5 16.5 5.3 7 23.5 9 4.8 10 6.8 1500
A3-U4 缩进; 六角 16 M4 10 10 20 4.3 8 28 10 5.9 11 7.9 1000
A3-U5 六角; 缩进 16 M5 11.5 10 20 5.3 8 28 10 5.9 11 7.9 1000

注意:并非所有资源都以您的语言提供。如果未以您选择的语言显示产品信息,则会显示该信息。 随着时间的推移,我们将继续改善体验。

产品信息

  • 品牌: 森博尔 CEMBRE
  • 分类: 适用于铜线
  • 认证:
  • 描述: A-U 系列电缆挂耳由纯度超过 99.9% 的电解铜带制成。它们是接触器、热继电器等终端连接的理想选择,并配有拴式螺钉。
    由于采用了银合金钎焊、电解退火和镀锡工艺,连接器更容易压缩,抗机械应力能力更强。

热门搜索