P-P圆卡套
圆形卡套接线片,预绝缘聚碳酸酯,用于铜导线,无卤素

P 系列电缆挂耳由纯度超过 99.9% 的电解铜带制成。
由于采用了退火和电解镀锡工艺,连接器更容易压缩,抗机械应力能力更强。
绝缘外套由聚碳酸酯制成,这是一种无卤热塑性材料,其特殊的分子结构保证了理想的韧性。绝缘护套的漏斗状内部形状便于将导体插入电缆线耳中,并可防止基本导线拉伸,从而缩短接线时间。
产品特征
- 技术信息
- 材质和处理
- 重量和尺寸
- 包装信息
- 类别和数据排列
- 认证
产品型号
VP-P
绝缘套颜色
绿色
电缆截面范围 [mm²]
0.2 ÷ 0.5
|
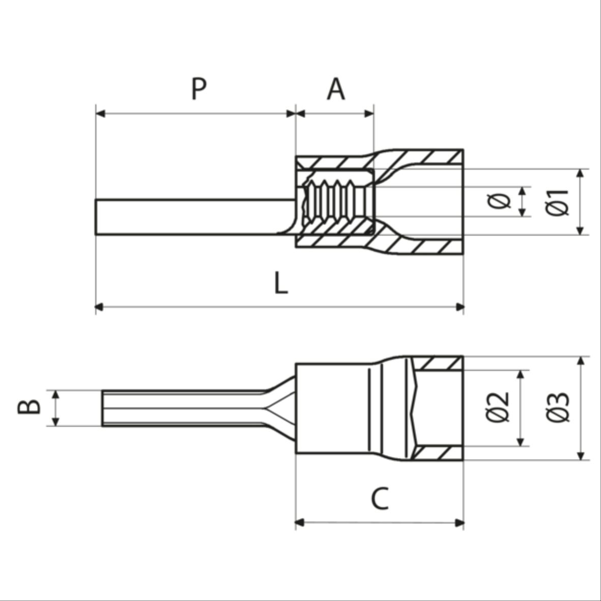
重量和尺寸 |
包装信息 |
|
tipo
|
B [mm]
|
P [mm]
|
L [mm]
|
C [mm]
|
Ø2 [mm]
|
Ø3 [mm]
|
标准包装单位 [pce]
|
|
VP-P10
|
1
|
9.8
|
20.2
|
10
|
3
|
4.4
|
4000
|
RP-P
绝缘套颜色
红色
电缆截面范围 [mm²]
0.25 ÷ 1.5
|
重量和尺寸 |
包装信息 |
|
tipo
|
B [mm]
|
P [mm]
|
L [mm]
|
A [mm]
|
C [mm]
|
Ø2 [mm]
|
Ø3 [mm]
|
Ø [mm]
|
电缆剥皮长度 [mm]
|
标准包装单位 [pce]
|
|
RP-P8
|
1.6
|
7.8
|
17.9
|
4.2
|
10.1
|
4
|
5.5
|
1.8
|
5
|
3000
|
|
RP-P10
|
1.6
|
9.8
|
19.9
|
4.2
|
10.1
|
4
|
5.5
|
1.8
|
5
|
3000
|
|
RP-P12
|
1.6
|
12
|
22.1
|
4.2
|
10.1
|
4
|
5.5
|
1.8
|
5
|
3000
|
BP-P
绝缘套颜色
蓝色
电缆截面范围 [mm²]
1.5 ÷ 2.5
|
重量和尺寸 |
包装信息 |
|
tipo
|
B [mm]
|
P [mm]
|
L [mm]
|
A [mm]
|
C [mm]
|
Ø2 [mm]
|
Ø3 [mm]
|
Ø [mm]
|
电缆剥皮长度 [mm]
|
标准包装单位 [pce]
|
|
BP-P8
|
1.6
|
7.8
|
17.9
|
4.2
|
10.1
|
4.9
|
6.4
|
2.4
|
5
|
3000
|
|
BP-P10
|
1.6
|
9.8
|
19.9
|
4.2
|
10.1
|
4.9
|
6.4
|
2.4
|
5
|
3000
|
|
BP-P12
|
1.8
|
11.8
|
21.9
|
4.2
|
10.1
|
4.9
|
6.4
|
2.4
|
5
|
2500
|
GP-P
绝缘套颜色
黄色
电缆截面范围 [mm²]
4 ÷ 6
|
重量和尺寸 |
包装信息 |
|
tipo
|
B [mm]
|
P [mm]
|
L [mm]
|
A [mm]
|
C [mm]
|
Ø2 [mm]
|
Ø3 [mm]
|
Ø [mm]
|
电缆剥皮长度 [mm]
|
标准包装单位 [pce]
|
|
GP-P10
|
2.2
|
10.4
|
24.5
|
8
|
14.1
|
6.8
|
8.1
|
3.6
|
7
|
1000
|
|
GP-P12
|
2.2
|
12.6
|
26.7
|
8
|
14.1
|
6.8
|
8.1
|
3.6
|
7
|
1000
|
|
GP-P14
|
2.2
|
14.6
|
28.7
|
8
|
14.1
|
6.8
|
8.1
|
3.6
|
7
|
1000
|
注意:并非所有资源都以您的语言提供。如果未以您选择的语言显示产品信息,则会显示该信息。 随着时间的推移,我们将继续改善体验。