F-M眼罩
吊耳,预绝缘聚氯乙烯,用于铜导线

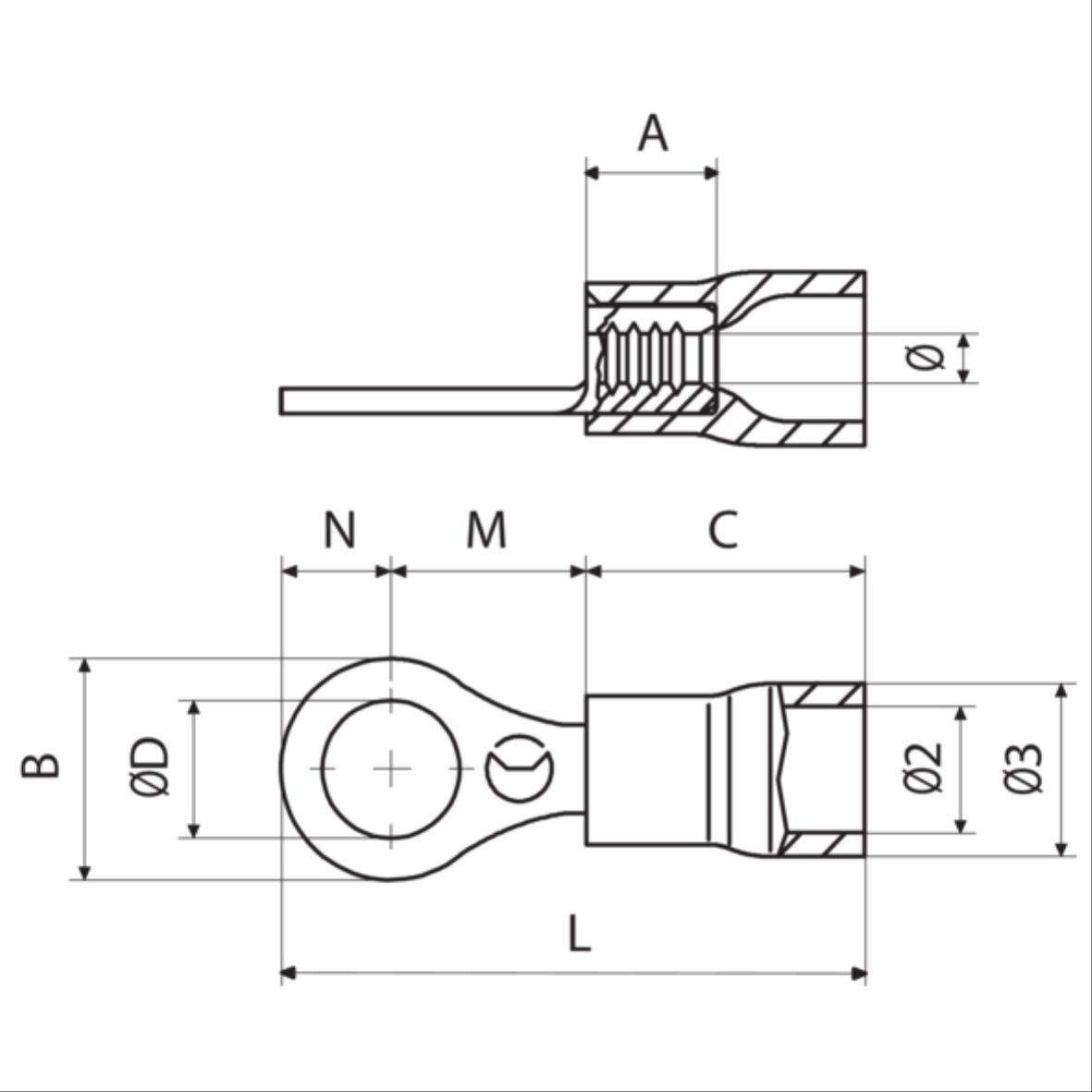
F 系列电缆挂耳由纯度超过 99.9 % 的电解铜带制成。
由于采用了退火和电解镀锡工艺,连接器更容易压缩,抗机械应力能力更强。
套圈内部的滚花改善了与导体的接触,提高了整体抗拉强度。
由于内部形状呈漏斗状,绝缘护套便于将导体插入接线片,并防止基本导线拉伸,从而缩短了接线时间。
产品特征
- 技术信息
- 材质和处理
- 包装信息
- 类别和数据排列
- 认证
产品型号
RF-M
绝缘套颜色
红色
电缆截面范围 [mm²]
0.25 ÷ 1.5
|
重量和尺寸 |
包装信息 |
认证 |
|
tipo
|
螺栓直径
|
ØD [mm]
|
B [mm]
|
N [mm]
|
M [mm]
|
I [mm]
|
紧固扭矩(建议值?UL?) (高导电螺钉) [nm]
|
紧固扭矩(建议值?UL?) (8.8级螺钉) [nm]
|
L [mm]
|
A [mm]
|
C [mm]
|
Ø2 [mm]
|
Ø3 [mm]
|
Ø [mm]
|
电缆剥皮长度 [mm]
|
标准包装单位 [pce]
|
符合ROHS标准
|
|
RF-M2
|
M2
|
2.2
|
5.6
|
2.8
|
4.5
|
8.7
|
|
|
17.3
|
4.2
|
10.1
|
4
|
5.5
|
1.8
|
5
|
3000
|
Yes
|
|
RF-M3
|
M3
|
3.2
|
5.6
|
2.8
|
4.5
|
8.7
|
0.5
|
0.5
|
17.3
|
4.2
|
10.1
|
4
|
5.5
|
1.8
|
5
|
3000
|
Yes
|
|
RF-M3.5
|
M3.5
|
3.7
|
5.6
|
2.8
|
4.5
|
8.7
|
|
|
17.3
|
4.2
|
10.1
|
4
|
5.5
|
1.8
|
5
|
3000
|
Yes
|
|
RF-M3.5/1
|
M3.5
|
3.7
|
6.2
|
3.1
|
7.1
|
11.3
|
|
|
20.2
|
4.2
|
10.1
|
4
|
5.5
|
1.8
|
5
|
3000
|
Yes
|
|
RF-M4
|
M4
|
4.3
|
7
|
3.5
|
6.5
|
10.7
|
|
|
20
|
4.2
|
10.1
|
4
|
5.5
|
1.8
|
5
|
3000
|
Yes
|
|
RF-M4/3
|
M4
|
4.3
|
7.8
|
3.9
|
7.1
|
11.3
|
|
|
21
|
4.2
|
10.1
|
4
|
5.5
|
1.8
|
5
|
3000
|
Yes
|
|
RF-M5
|
M5
|
5.3
|
7.8
|
3.9
|
7.1
|
11.3
|
|
|
21
|
4.2
|
10.1
|
4
|
5.5
|
1.8
|
5
|
2500
|
Yes
|
|
RF-M6
|
M6
|
6.4
|
9.4
|
4.7
|
8.1
|
12.3
|
5
|
7
|
22.8
|
4.2
|
10.1
|
4
|
5.5
|
1.8
|
5
|
2500
|
Yes
|
|
RF-M6/1
|
M6
|
6.4
|
12
|
6
|
10.3
|
14.5
|
5
|
7
|
26.3
|
4.2
|
10.1
|
4
|
5.5
|
1.8
|
5
|
2000
|
Yes
|
|
RF-M7
|
M7
|
7.2
|
9.4
|
4.7
|
8.1
|
12.3
|
|
|
22.8
|
4.2
|
10.1
|
4
|
5.5
|
1.8
|
5
|
2500
|
Yes
|
|
RF-M8
|
M8
|
8.4
|
12
|
6
|
10.3
|
14.5
|
10
|
20
|
26.3
|
4.2
|
10.1
|
4
|
5.5
|
1.8
|
5
|
2000
|
Yes
|
|
RF-M10
|
M10
|
10.5
|
15.5
|
7.75
|
13.05
|
17.25
|
20
|
35
|
30.8
|
4.2
|
10.1
|
4
|
5.5
|
1.8
|
5
|
1500
|
Yes
|
|
RF-M12
|
M12
|
13
|
18
|
9
|
15.5
|
19.7
|
40
|
50
|
34.5
|
4.2
|
10.1
|
4
|
5.5
|
1.8
|
5
|
1500
|
Yes
|
BF-M
绝缘套颜色
蓝色
电缆截面范围 [mm²]
1.5 ÷ 2.5
|
重量和尺寸 |
包装信息 |
认证 |
|
tipo
|
螺栓直径
|
ØD [mm]
|
B [mm]
|
N [mm]
|
M [mm]
|
I [mm]
|
紧固扭矩(建议值?UL?) (高导电螺钉) [nm]
|
紧固扭矩(建议值?UL?) (8.8级螺钉) [nm]
|
L [mm]
|
A [mm]
|
C [mm]
|
Ø2 [mm]
|
Ø3 [mm]
|
Ø [mm]
|
电缆剥皮长度 [mm]
|
标准包装单位 [pce]
|
符合ROHS标准
|
|
BF-M2
|
M2
|
2.2
|
5.6
|
2.8
|
5
|
9.2
|
|
|
17.9
|
4.2
|
10.1
|
4.9
|
6.4
|
2.4
|
5
|
3000
|
Yes
|
|
BF-M3
|
M3
|
3.2
|
5.6
|
2.8
|
5
|
9.2
|
0.5
|
0.5
|
17.9
|
4.2
|
10.1
|
4.9
|
6.4
|
2.4
|
5
|
2500
|
Yes
|
|
BF-M3.5
|
M3.5
|
3.7
|
5.6
|
2.8
|
5
|
9.2
|
|
|
17.9
|
4.2
|
10.1
|
4.9
|
6.4
|
2.4
|
5
|
2500
|
Yes
|
|
BF-M3.5/1
|
M3.5
|
3.7
|
6.2
|
3.1
|
6.5
|
10.7
|
|
|
19.7
|
4.2
|
10.1
|
4.9
|
6.4
|
2.4
|
5
|
2500
|
Yes
|
|
BF-M4
|
M4
|
4.3
|
8
|
4
|
6.5
|
10.7
|
|
|
20.6
|
4.2
|
10.1
|
4.9
|
6.4
|
2.4
|
5
|
2500
|
Yes
|
|
BF-M5
|
M5
|
5.3
|
8
|
4
|
7.5
|
11.7
|
|
|
21.6
|
4.2
|
10.1
|
4.9
|
6.4
|
2.4
|
5
|
2000
|
Yes
|
|
BF-M6
|
M6
|
6.4
|
9.4
|
4.7
|
8.6
|
12.8
|
5
|
7
|
23.4
|
4.2
|
10.1
|
4.9
|
6.4
|
2.4
|
5
|
2000
|
Yes
|
|
BF-M6/1
|
M6
|
6.4
|
12
|
6
|
10.3
|
14.5
|
5
|
7
|
26.4
|
4.2
|
10.1
|
4.9
|
6.4
|
2.4
|
5
|
2000
|
Yes
|
|
BF-M6/2
|
M6
|
6.4
|
8.4
|
4.2
|
5.4
|
9.6
|
5
|
7
|
19.7
|
4.2
|
10.1
|
4.9
|
6.4
|
2.4
|
5
|
2500
|
Yes
|
|
BF-M7
|
M7
|
7.2
|
10
|
5
|
7.8
|
12
|
|
|
22.9
|
4.2
|
10.1
|
4.9
|
6.4
|
2.4
|
5
|
2000
|
Yes
|
|
BF-M8
|
M8
|
8.4
|
12
|
6
|
10.3
|
14.5
|
10
|
20
|
26.4
|
4.2
|
10.1
|
4.9
|
6.4
|
2.4
|
5
|
1500
|
Yes
|
|
BF-M10
|
M10
|
10.5
|
15.5
|
7.75
|
13.05
|
17.25
|
20
|
35
|
注意:并非所有资源都以您的语言提供。如果未以您选择的语言显示产品信息,则会显示该信息。 随着时间的推移,我们将继续改善体验。