CP-U连接叉栓
连接叉形接线片,预绝缘聚碳酸酯,用于铜导线,无卤素

CP 系列的预绝缘连接电缆线耳由纯度超过 99.9% 的电解铜带制成。它们是借助涂抹器进行串联布线的理想选择。
由于采用了退火和电解镀锡工艺,连接器更容易压缩,抗机械应力能力更强。
绝缘层由聚碳酸酯制成,这是一种无卤热塑性材料,其特殊的分子结构保证了理想的韧性。绝缘护套的漏斗状内部形状便于将导体插入
产品型号
CRP-U
绝缘套颜色
红色
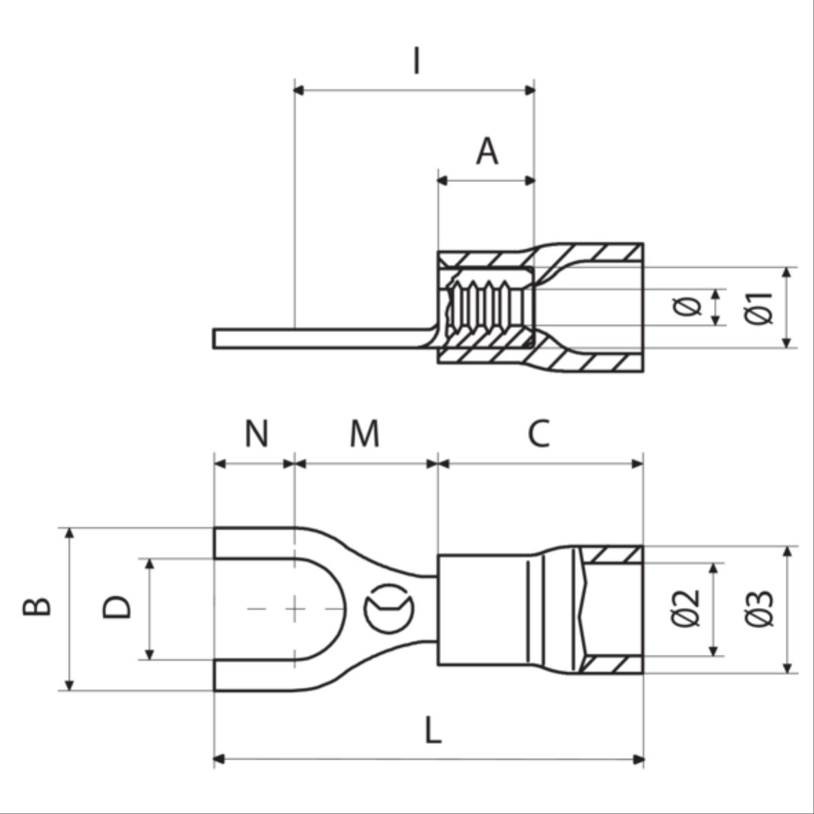
电缆截面范围 [mm²]
0.25 ÷ 1.5
|
重量和尺寸 |
包装信息 |
|
tipo
|
螺栓直径
|
B [mm]
|
M [mm]
|
I [mm]
|
D [mm]
|
N [mm]
|
紧固扭矩(建议值?UL?) (高导电螺钉) [nm]
|
紧固扭矩(建议值?UL?) (8.8级螺钉) [nm]
|
L [mm]
|
A [mm]
|
C [mm]
|
Ø2 [mm]
|
Ø3 [mm]
|
Ø [mm]
|
电缆剥皮长度 [mm]
|
最小包装单元 [pce]
|
标准包装单位 [pce]
|
|
CRP-U3
|
M3
|
5.5
|
5.5
|
9.7
|
3.2
|
4
|
0.5
|
0.5
|
20
|
4.2
|
10.1
|
4
|
5.5
|
1.8
|
5
|
2000
|
2000
|
|
CRP-U3.5
|
M3.5
|
6
|
6.5
|
10.7
|
3.7
|
3.8
|
|
|
20.8
|
4.2
|
10.1
|
4
|
5.5
|
1.8
|
5
|
2000
|
2000
|
|
CRP-U3.5/2
|
M3.5
|
6.4
|
6.5
|
10.7
|
3.7
|
3.8
|
|
|
20.8
|
4.2
|
10.1
|
4
|
5.5
|
1.8
|
5
|
2000
|
2000
|
|
CRP-U4
|
M4
|
6.5
|
7.5
|
11.7
|
4.3
|
3.7
|
|
|
21.7
|
4.2
|
10.1
|
4
|
5.5
|
1.8
|
5
|
2000
|
2000
|
|
CRP-U4/1
|
M4
|
8.5
|
7.5
|
11.7
|
4.3
|
3.7
|
|
|
21.7
|
4.2
|
10.1
|
4
|
5.5
|
1.8
|
5
|
2000
|
2000
|
|
CRP-U4/2
|
M4
|
7.5
|
7.5
|
11.7
|
4.3
|
3.7
|
|
|
21.7
|
4.2
|
10.1
|
4
|
5.5
|
1.8
|
5
|
2000
|
2000
|
|
CRP-U5
|
M5
|
8.5
|
7.5
|
11.7
|
5.3
|
3.7
|
|
|
21.7
|
4.2
|
10.1
|
4
|
5.5
|
1.8
|
5
|
2000
|
2000
|
|
CRP-U6
|
M6
|
9.4
|
8.1
|
12.3
|
6.4
|
4.7
|
5
|
7
|
23.3
|
4.2
|
10.1
|
4
|
5.5
|
1.8
|
5
|
2000
|
2000
|
|
CRP-U6/1
|
M6
|
12
|
9.2
|
13.4
|
6.4
|
7.1
|
5
|
7
|
26.8
|
4.2
|
10.1
|
4
|
5.5
|
1.8
|
5
|
2000
|
2000
|
|
CRP-U8
|
M8
|
14
|
10
|
14.2
|
8.4
|
6.3
|
10
|
20
|
26.8
|
4.2
|
10.1
|
4
|
5.5
|
1.8
|
5
|
2000
|
2000
|
|
技术信息 |
重量和尺寸 |
包装信息 |
|
tipo
|
电缆截面范围 [mm²]
|
螺栓直径
|
B [mm]
|
M [mm]
|
I [mm]
|
D [mm]
|
N [mm]
|
紧固扭矩(建议值?UL?) (高导电螺钉) [nm]
|
紧固扭矩(建议值?UL?) (8.8级螺钉) [nm]
|
L [mm]
|
A [mm]
|
C [mm]
|
Ø2 [mm]
|
Ø3 [mm]
|
Ø [mm]
|
电缆剥皮长度 [mm]
|
最小包装单元 [pce]
|
标准包装单位 [pce]
|
|
CBP-U3
|
1.5 - 2.5
|
M3
|
5.5
|
5.5
|
9.7
|
3.2
|
4
|
0.5
|
0.5
|
20
|
4.2
|
10.1
|
4.9
|
6.4
|
2.4
|
5
|
1750
|
1750
|
|
CBP-U3.5
|
1.5 - 2.5
|
M3.5
|
6.4
|
6.5
|
10.7
|
3.7
|
3.8
|
|
|
20.8
|
4.2
|
10.1
|
4.9
|
6.4
|
2.4
|
5
|
1750
|
1750
|
|
CBP-U4
|
1.5 - 2.5
|
M4
|
6.5
|
7.5
|
11.7
|
4.3
|
3.7
|
|
|
21.7
|
4.2
|
10.1
|
4.9
|
6.4
|
2.4
|
5
|
1750
|
1750
|
|
CBP-U4/1
|
1.5 - 2.5
|
M4
|
8.5
|
7.5
|
11.7
|
4.3
|
3.7
|
|
|
21.7
|
4.2
|
10.1
|
4.9
|
6.4
|
2.4
|
5
|
1750
|
1750
|
|
CBP-U4/2
|
1.5 - 2.5
|
M4
|
7.5
|
7.5
|
11.7
|
4.3
|
3.7
|
|
|
21.7
|
4.2
|
10.1
|
4.9
|
6.4
|
2.4
|
5
|
1750
|
1750
|
|
CBP-U5
|
1.5
|
M5
|
8.5
|
7.5
|
11.7
|
5.3
|
3.7
|
|
|
21.7
|
4.2
|
10.1
|
4.9
|
6.4
|
2.4
|
5
|
1750
|
1750
|
|
CBP-U6
|
1.5 - 2.5
|
M6
|
9.4
|
8.1
|
12.3
|
6.4
|
4.7
|
5
|
7
|
23.3
|
4.2
|
10.1
|
4.9
|
6.4
|
2.4
|
5
|
1750
|
1750
|
CGP-U
绝缘套颜色
黄色
电缆截面范围 [mm²]
4 ÷ 6
|
重量和尺寸 |
包装信息 |
|
tipo
|
螺栓直径
|
B [mm]
|
M [mm]
|
I [mm]
|
D [mm]
|
N [mm]
|
紧固扭矩(建议值?UL?) (高导电螺钉) [nm]
|
紧固扭矩(建议值?UL?) (8.8级螺钉) [nm]
|
L [mm]
|
A [mm]
|
C [mm]
|
Ø2 [mm]
|
Ø3 [mm]
|
Ø [mm]
|
电缆剥皮长度 [mm]
|
最小包装单元 [pce]
|
标准包装单位 [pce]
|
|
CGP-U3.5
|
M3.5
|
7.5
|
8.5
|
14.9
|
3.7
|
3.9
|
|
|
26.7
|
8
|
14.1
|
6.6
|
8.1
|
3.6
|
7
|
1250
|
1250
|
|
CGP-U4
|
M4
|
7.5
|
8
|
14.4
|
4.3
|
4.4
|
|
|
26.7
|
8
|
14.1
|
6.6
|
8.1
|
3.6
|
7
|
1250
|
1250
|
|
CGP-U5
|
M5
|
9.5
|
8
|
14.4
|
5.6
|
4.4
|
|
|
26.7
|
8
|
14.1
|
6.6
|
8.1
|
3.6
|
7
|
1250
|
1250
|
|
CGP-U6
|
M6
|
10
|
11
|
17.4
|
6.4
|
5.5
|
5
|
7
|
30.8
|
8
|
14.1
|
6.6
|
8.1
|
3.6
|
7
|
1250
|
1250
|
注意:并非所有资源都以您的语言提供。如果未以您选择的语言显示产品信息,则会显示该信息。 随着时间的推移,我们将继续改善体验。