CP-PP连接扁平接线片
预绝缘聚碳酸酯连接式扁平卡套电缆插头,适用于铜导体,无卤素

CP 系列的预绝缘连接电缆线耳由纯度超过 99.9% 的电解铜带制成。它们是借助涂抹器进行串联布线的理想选择。
由于采用了退火和电解镀锡工艺,连接器更容易压缩,抗机械应力能力更强。
绝缘层由聚碳酸酯制成,这是一种无卤热塑性材料,其特殊的分子结构保证了理想的韧性。绝缘护套的漏斗状内部形状便于将导体插入
产品特征
- 技术信息
- 材质和处理
- 重量和尺寸
- 类别和数据排列
- 认证
产品型号
CRP-PP
绝缘套颜色
红色
电缆截面范围 [mm²]
0.25 ÷ 1.5
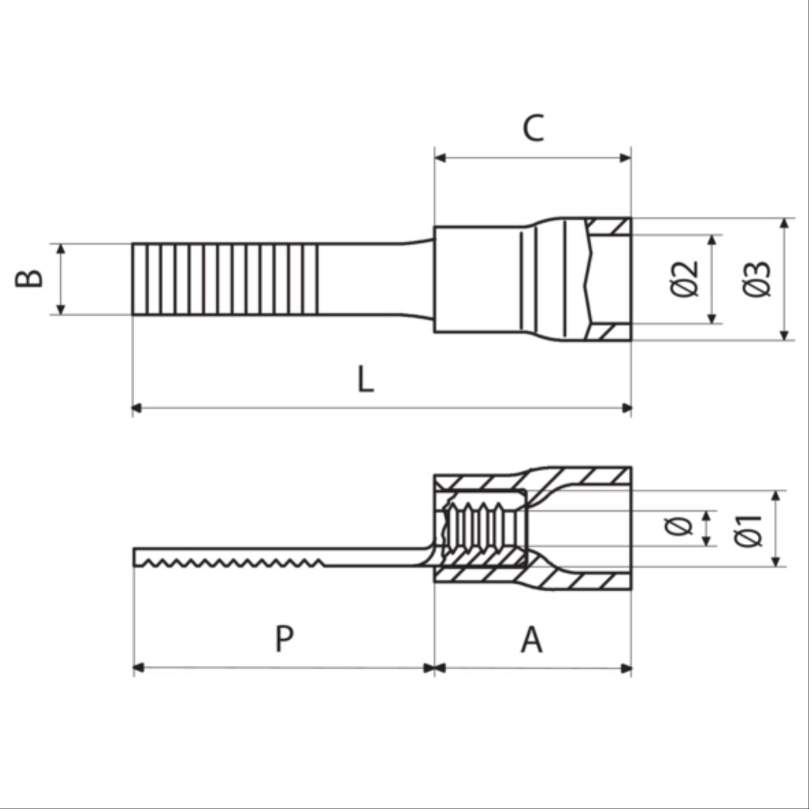
|
重量和尺寸 |
包装信息 |
|
tipo
|
B [mm]
|
P [mm]
|
L [mm]
|
A [mm]
|
C [mm]
|
Ø2 [mm]
|
Ø3 [mm]
|
Ø [mm]
|
电缆剥皮长度 [mm]
|
最小包装单元 [pce]
|
标准包装单位 [pce]
|
|
CRP-PP12
|
3
|
12.8
|
23.3
|
4.2
|
10.5
|
4
|
5.5
|
1.8
|
5
|
2000
|
2000
|
|
CRP-PP12/1
|
3
|
11.3
|
21.8
|
4.2
|
10.5
|
4
|
5.5
|
1.8
|
5
|
2000
|
2000
|
|
CRP-PP12/23
|
2.3
|
13.2
|
23.7
|
4.2
|
10.5
|
4
|
5.5
|
1.8
|
5
|
2000
|
2000
|
|
CRP-PP14
|
3
|
14.8
|
25.3
|
4.2
|
10.5
|
4
|
5.5
|
1.8
|
5
|
2000
|
2000
|
CBP-PP
绝缘套颜色
蓝色
电缆截面范围 [mm²]
1.5 ÷ 2.5
|
重量和尺寸 |
包装信息 |
|
tipo
|
B [mm]
|
P [mm]
|
L [mm]
|
A [mm]
|
C [mm]
|
Ø2 [mm]
|
Ø3 [mm]
|
Ø [mm]
|
电缆剥皮长度 [mm]
|
最小包装单元 [pce]
|
标准包装单位 [pce]
|
|
CBP-PP12
|
3.5
|
12.8
|
23.3
|
4.2
|
10.5
|
4.9
|
6.4
|
2.4
|
5
|
1750
|
1750
|
|
CBP-PP12/25
|
2.5
|
13.3
|
23.8
|
4.2
|
10.5
|
4.9
|
6.4
|
2.4
|
5
|
1750
|
1750
|
CGP-PP
绝缘套颜色
黄色
电缆截面范围 [mm²]
4 ÷ 6
|
重量和尺寸 |
包装信息 |
|
tipo
|
B [mm]
|
P [mm]
|
L [mm]
|
A [mm]
|
C [mm]
|
Ø2 [mm]
|
Ø3 [mm]
|
Ø [mm]
|
电缆剥皮长度 [mm]
|
最小包装单元 [pce]
|
标准包装单位 [pce]
|
|
CGP-PP12
|
4
|
13.3
|
27.4
|
8
|
14.1
|
6.6
|
8.1
|
3.6
|
11
|
1250
|
1250
|
|
CGP-PP17
|
2.9
|
19.1
|
33.2
|
8
|
14.1
|
6.6
|
8.1
|
3.6
|
11
|
1250
|
1250
|
注意:并非所有资源都以您的语言提供。如果未以您选择的语言显示产品信息,则会显示该信息。 随着时间的推移,我们将继续改善体验。