PK 系列端子管由纯度超过 99.9% 的电解铜管制成。它们是将带螺丝端子和接线端子的多端柔性电缆连接到消费单元、断路器、电气控制盘和任何其他需要多端导线连接的设备的理想选择。
由于采用了退火和电解镀锡工艺,这种连接器更容易压缩,抗机械应力能力更强。
PA 6 绝缘涂层简化了电缆绝缘层的安装和维修。
| 技术信息 | 重量和尺寸 | 包装信息 | |||||||||
|---|---|---|---|---|---|---|---|---|---|---|---|
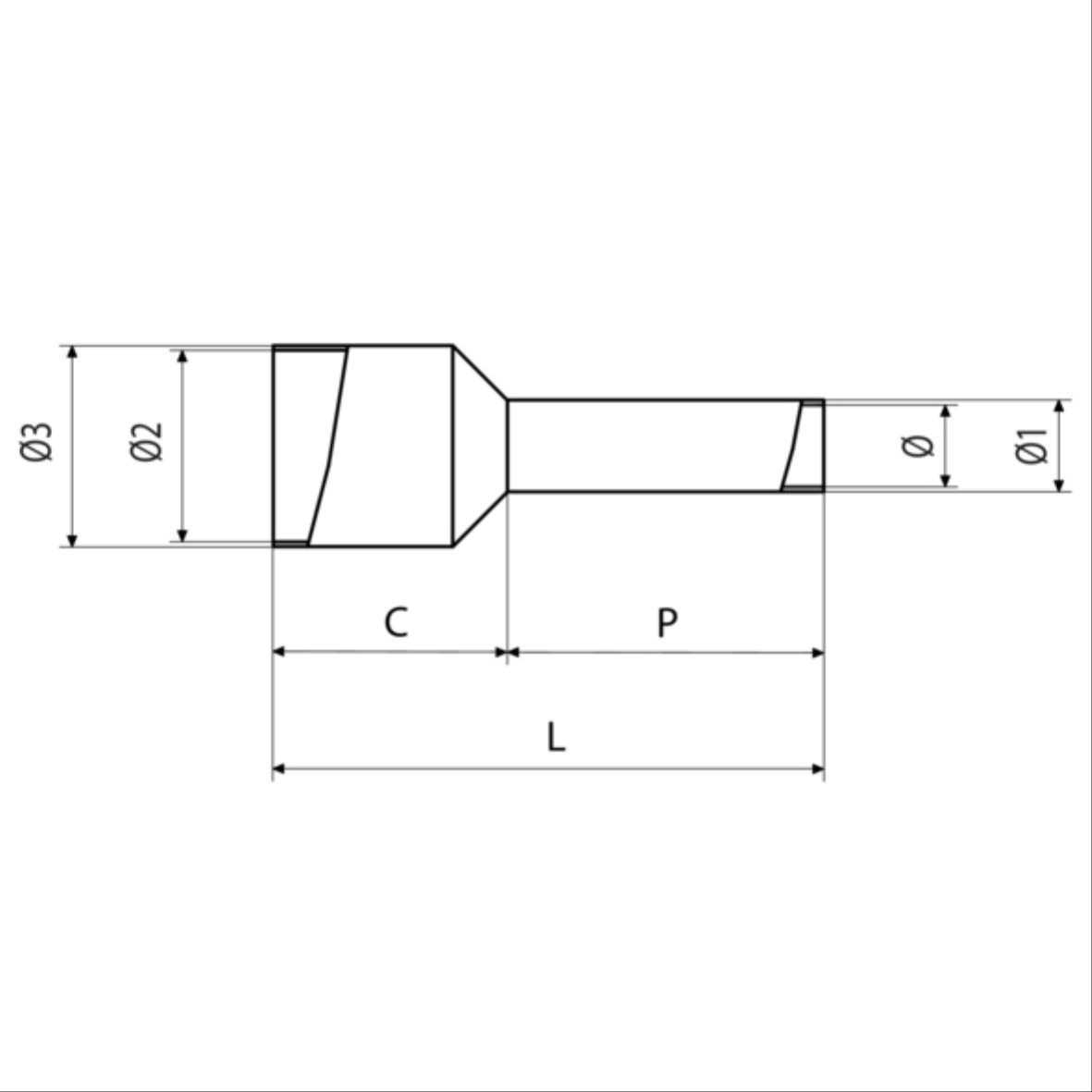
| tipo | 绝缘套颜色 | 电缆截面范围 [mm²] | C [mm] | Ø2 [mm] | Ø3 [mm] | 电缆剥皮长度 [mm] | Ø1 [mm] | P [mm] | L [mm] | 最小包装单元 [pce] | 标准包装单位 [pce] |
| PKD506 | 白色 | 0.3 - 0.5 | 6 | 2.6 | 3.1 | 6 | 1.3 | 6 | 12 | 500 | 10000 |
| PKD508 | 白色 | 0.3 - 0.5 | 6 | 2.6 | 3.1 | 8 | 1.3 | 8 | 14 | 500 | 10000 |
| PKD510 | 白色 | 0.3 - 0.5 | 6 | 2.6 | 3.1 | 10 | 1.3 | 10 | 16 | 500 | 10000 |
| PKD7506 | 灰色 | 0.75 | 6 | 2.8 | 3.3 | 6 | 1.5 | 6 | 12 | 500 | 10000 |
| PKD7508 | 灰色 | 0.75 | 6 | 2.8 | 3.3 | 8 | 1.5 | 8 | 14 | 500 | 10000 |
| PKD7510 | 灰色 | 0.75 | 6 | 2.8 | 3.3 | 10 | 1.5 | 10 | 16 | 500 | 10000 |
| PKD7512 | 灰色 | 0.75 | 6 | 2.8 | 3.3 | 12 | 1.5 | 12 | 18 | 500 | 10000 |
| PKD106 | 红色 | 1 | 6 | 3 | 3.5 | 6 | 1.7 | 6 | 12 | 500 | 10000 |
| PKD108 | 红色 | 1 | 6 | 3 | 3.5 | 8 | 1.7 | 8 | 14 | 500 | 10000 |
| PKD110 | 红色 | 1 | 6 | 3 | 3.5 | 10 | 1.7 | 10 | 16 | 500 | 10000 |
| PKD112 | 红色 | 1 | 6 | 3 | 3.5 | 12 | 1.7 | 12 | 18 | 500 | 8000 |
| PKD1508 | 黑色 | 1.5 | 6 | 3.5 | 4 | 8 | 2 | 8 | 14 | 500 | 5000 |
| PKD1510 | 黑色 | 1.5 | 6 | 3.5 | 4 | 10 | 2 | 10 | 16 | 500 | 5000 |
| PKD1512 | 黑色 | 1.5 | 6 | 3.5 | 4 | 12 | 2 | 12 | 18 | 500 | 5000 |
| PKD1518 | 黑色 | 1.5 | 6 | 3.5 | 4 | 18 | 2 | 18 | 24 | 500 | 5000 |
| PKD2508 | 蓝色 | 2.5 | 6 | 4.2 | 4.7 | 8 | 2.5 | 8 | 14 | 500 | 5000 |
| PKD2512 | 蓝色 | 2.5 | 6 | 4.2 | 4.7 | 12 | 2.5 | 12 | 18 | 500 | 4000 |
| PKD2518 | 蓝色 | 2.5 | 6 | 4.2 | 4.7 | 18 | 2.5 | 18 | 24 | 500 | 5000 |
| PKD410 | 灰色 | 4 | 7 | 4.8 | 5.4 | 10 | 3.2 | 10 | 17 | 200 | 3000 |
| PKD412 | 灰色 | 4 | 8 | 4.8 | 5.4 | 12 | 3.2 | 12 | 20 | 200 | 3000 |
| PKD418 | 灰色 | 4 | 8 | 4.8 | 5.4 | 18 | 3.2 | 18 | 26 | 200 | 3000 |
| PKD612 | 黄色 | 6 | 8 | 6.3 | 6.9 | 12 | 3.9 | 12 | 20 | 100 | 1500 |
| PKD618 | 黄色 | 6 | 8 | 6.3 | 6.9 | 18 | 3.9 | 18 | 26 | 100 | 1500 |
| PKD1012 | 红色 | 10 | 10 | 7.6 | 8.4 | 12 | 4.9 | 12 | 22 | 100 | 1000 |
| PKD1018 | 红色 | 10 | 10 | 7.6 | 8.4 | 18 | 4.9 | 18 | 28 | 100 | 1000 |
| PKD1612 | 蓝色 | 16 | 12 | 8.8 | 9.6 | 12 | 6.2 | 12 | 24 | 100 | 800 |
| PKD1618 | 蓝色 | 16 | 10 | 8.8 | 9.6 | 18 | 6.2 | 18 | 28 | 100 | 800 |
| PKD25016 | 黄色 | 25 | 14 | 11.2 | 12 | 16 | 7.7 | 16 | 30 | 50 | 400 |
| PKD25022 | 黄色 | 25 | 14 | 11.2 | 12 | 22 | 7.7 | 22 | 36 | 50 | 400 |
| PKD35016 | 红色 | 35 | 14 | 12.7 | 13.5 | 16 | 8.7 | 16 | 30 | 50 | 300 |
| PKD35025 | 红色 | 35 | 14 | 12.7 | 13.5 | 25 | 8.7 | 25 | 39 | 50 | 200 |
| PKD50020 | 蓝色 | 50 | 16 | 15 | 16.4 | 20 | 10.9 | 20 | 36 | 50 | 200 |
| PKD50025 | 蓝色 | 50 | 15 | 15 | 16.4 | 25 | 10.9 | 25 | 40 | 50 | 150 |
注意:并非所有资源都以您的语言提供。如果未以您选择的语言显示产品信息,则会显示该信息。 随着时间的推移,我们将继续改善体验。