KY-PPL加强型防震钩耳
加强型防震钩耳,预绝缘PA6.6,用于铜导线,无卤素

KY 系列加强型电缆挂耳由纯度超过 99.9% 的电解铜带制成。它们是在持续受力、振动和摆动的环境中(如机械内部)进行连接的理想选择。
漏斗形铜管夹在套圈和绝缘外套之间,因此这种接线片具有极高的强度。 除了便于导体插入外,这种铜管还能在压缩过程中沿着导体绝缘层变形,从而提高整体机械密封性和连接质量。
产品特征
- 技术信息
- 材质和处理
- 重量和尺寸
- 包装信息
- 类别和数据排列
- 认证
产品型号
RKY-PPL
绝缘套颜色
红色
电缆截面范围 [mm²]
0.25 ÷ 1.5
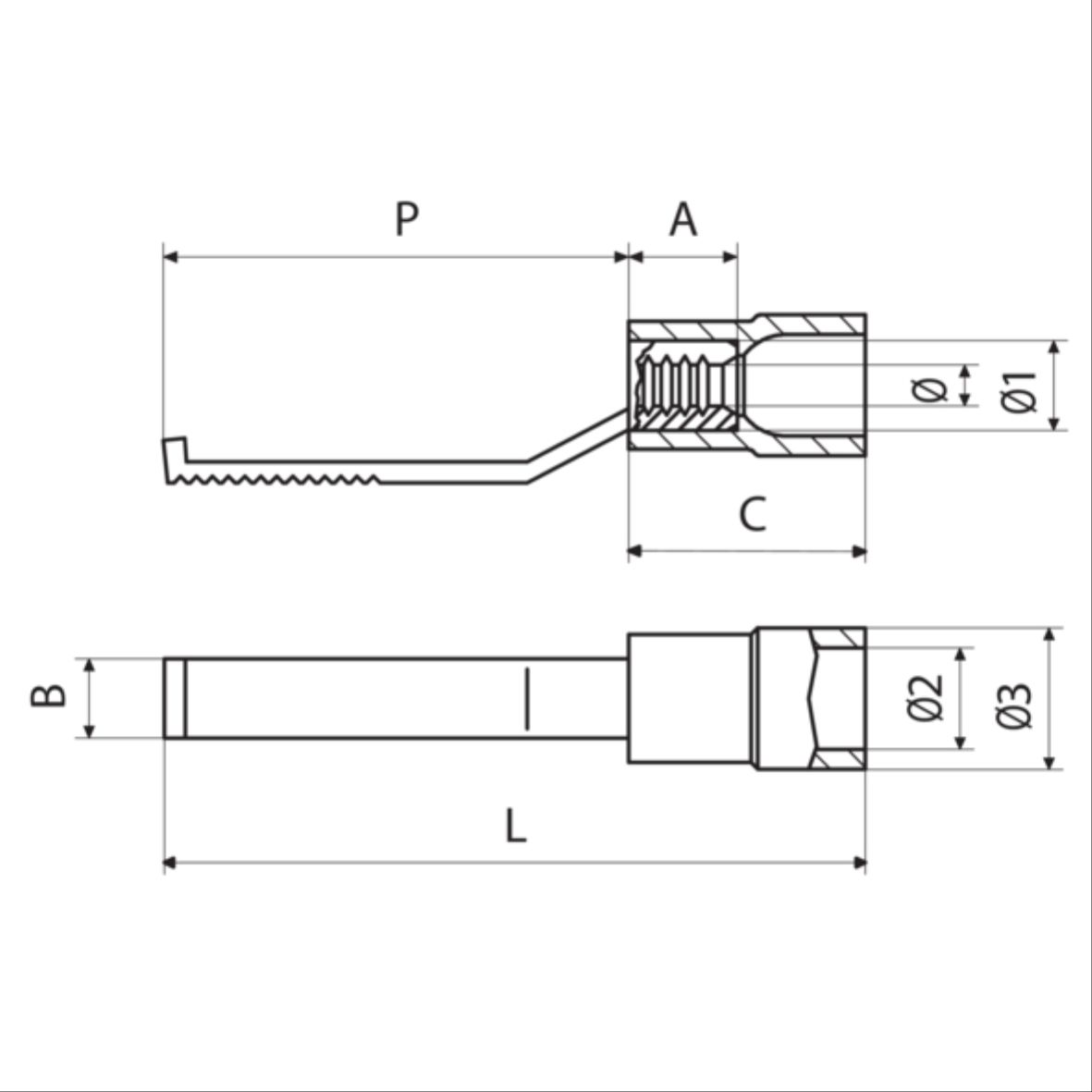
|
重量和尺寸 |
包装信息 |
|
tipo
|
B [mm]
|
P [mm]
|
X [mm]
|
L [mm]
|
C [mm]
|
Ø2 [mm]
|
电缆剥皮长度 [mm]
|
标准包装单位 [pce]
|
|
RKY-PPL30
|
3
|
16.8
|
2.1
|
28.2
|
10.8
|
4.5
|
6
|
3000
|
|
RKY-PPL46
|
4.6
|
16.8
|
2.1
|
28.2
|
10.8
|
4.5
|
6
|
3000
|
BKY-PPL
绝缘套颜色
蓝色
电缆截面范围 [mm²]
1.5 ÷ 2.5
|
重量和尺寸 |
包装信息 |
|
tipo
|
B [mm]
|
P [mm]
|
X [mm]
|
L [mm]
|
C [mm]
|
Ø2 [mm]
|
电缆剥皮长度 [mm]
|
标准包装单位 [pce]
|
|
BKY-PPL30
|
3
|
16.8
|
2.1
|
28.2
|
10.8
|
5.2
|
6
|
2500
|
|
BKY-PPL46
|
4.6
|
16.8
|
2.1
|
28.2
|
10.8
|
5.2
|
6
|
2500
|
GKY-PPL
绝缘套颜色
黄色
电缆截面范围 [mm²]
4 ÷ 6
|
技术信息 |
重量和尺寸 |
包装信息 |
|
tipo
|
最高工作电压 [v]
|
B [mm]
|
P [mm]
|
X [mm]
|
L [mm]
|
C [mm]
|
Ø2 [mm]
|
Ø [mm]
|
电缆剥皮长度 [mm]
|
标准包装单位 [pce]
|
|
GKY-PPL46
|
600
|
4.6
|
17.2
|
2.75
|
30.2
|
13
|
7
|
3.4
|
8
|
1000
|
注意:并非所有资源都以您的语言提供。如果未以您选择的语言显示产品信息,则会显示该信息。 随着时间的推移,我们将继续改善体验。