N-U支腿套
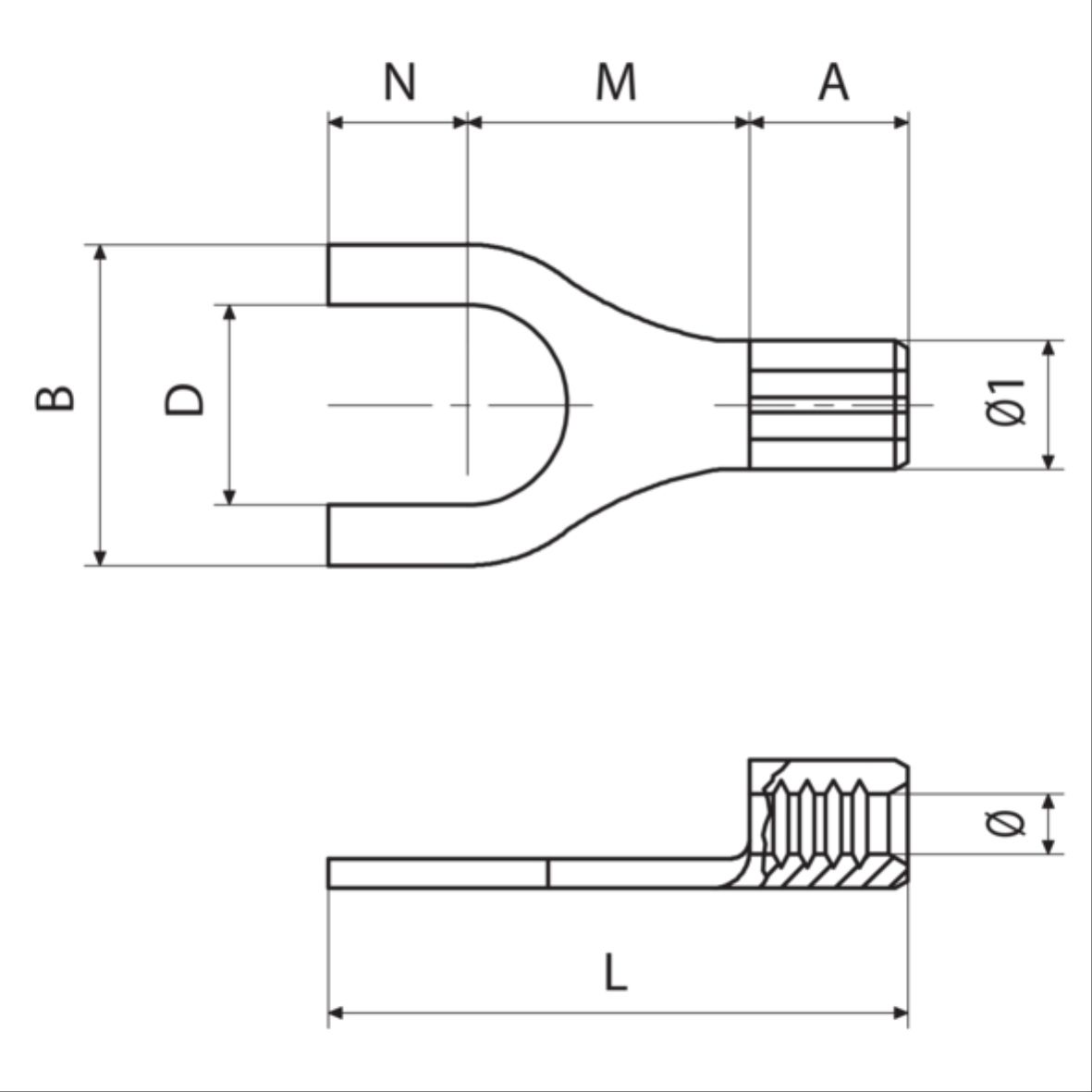
叉形端子,非绝缘,带非钎焊环,用于铜导线

N 系列电缆线耳由纯度超过 99.9 % 的电解铜带制成。
由于采用了退火和电解镀锡工艺,连接器更容易压缩,抗机械应力能力更强。
套圈内侧的滚花改善了与导体的接触,提高了整体抗拉强度。
产品特征
- 技术信息
- 材质和处理
- 包装信息
- 类别和数据排列
- 认证
产品型号
|
材质和处理 |
重量和尺寸 |
包装信息 |
|
tipo
|
退火
|
螺栓直径
|
B [mm]
|
M [mm]
|
I [mm]
|
D [mm]
|
N [mm]
|
紧固扭矩(建议值?UL?) (高导电螺钉) [nm]
|
紧固扭矩(建议值?UL?) (8.8级螺钉) [nm]
|
L [mm]
|
A [mm]
|
Ø [mm]
|
电缆剥皮长度 [mm]
|
Ø1 [mm]
|
标准包装单位 [pce]
|
|
RN-U3
|
是的
|
M3
|
5.5
|
5.5
|
9.7
|
3.2
|
4
|
0.5
|
0.5
|
13.7
|
4.2
|
1.8
|
5
|
3.4
|
7000
|
|
RN-U3.5
|
是的
|
M3.5
|
6
|
6.5
|
10.7
|
3.7
|
3.8
|
|
|
14.5
|
4.2
|
1.8
|
5
|
3.4
|
7000
|
|
RN-U3.5/2
|
是的
|
M3.5
|
6.4
|
6.5
|
10.7
|
3.7
|
3.8
|
|
|
14.5
|
4.2
|
1.8
|
5
|
3.4
|
7000
|
|
RN-U4
|
|
M4
|
6.5
|
7.5
|
11.7
|
4.3
|
3.7
|
|
|
15.4
|
4.2
|
1.8
|
5
|
3.4
|
7000
|
|
RN-U4/1
|
是的
|
M4
|
8.5
|
7.5
|
11.7
|
4.3
|
3.7
|
|
|
15.4
|
4.2
|
1.8
|
5
|
3.4
|
7000
|
|
RN-U4/2
|
是的
|
M4
|
7.5
|
7.5
|
11.7
|
4.3
|
3.7
|
|
|
15.4
|
4.2
|
1.8
|
5
|
3.4
|
7000
|
|
RN-U5
|
是的
|
M5
|
8.5
|
7.5
|
11.7
|
5.3
|
3.7
|
|
|
15.4
|
4.2
|
1.8
|
5
|
3.4
|
5000
|
|
RN-U5/1
|
是的
|
M5
|
9.4
|
7.5
|
11.7
|
5.3
|
3.7
|
|
|
15.4
|
4.2
|
1.8
|
5
|
3.4
|
5000
|
|
RN-U6
|
是的
|
M6
|
9.4
|
8.1
|
12.3
|
6.4
|
4.7
|
5
|
7
|
17
|
4.2
|
1.8
|
5
|
3.4
|
6000
|
|
RN-U6/1
|
是的
|
M6
|
12
|
9.2
|
13.4
|
6.4
|
7.1
|
5
|
7
|
20.5
|
4.2
|
1.8
|
5
|
3.4
|
3000
|
|
RN-U8
|
是的
|
M8
|
14
|
10
|
14.2
|
8.4
|
6.3
|
10
|
20
|
20.5
|
4.2
|
1.8
|
5
|
3.4
|
2500
|
|
RN-U10
|
是的
|
M10
|
17.5
|
13
|
17.25
|
10.5
|
7.7
|
20
|
35
|
25
|
4.2
|
1.8
|
5
|
3.4
|
2000
|
|
RN-U12
|
是的
|
M12
|
20
|
15.5
|
19.7
|
13
|
9
|
40
|
50
|
28.7
|
4.2
|
1.8
|
5
|
3.4
|
2000
|
|
材质和处理 |
重量和尺寸 |
包装信息 |
|
tipo
|
退火
|
螺栓直径
|
B [mm]
|
M [mm]
|
I [mm]
|
D [mm]
|
N [mm]
|
紧固扭矩(建议值?UL?) (高导电螺钉) [nm]
|
紧固扭矩(建议值?UL?) (8.8级螺钉) [nm]
|
L [mm]
|
A [mm]
|
Ø [mm]
|
电缆剥皮长度 [mm]
|
Ø1 [mm]
|
标准包装单位 [pce]
|
|
BN-U3
|
是的
|
M3
|
5.5
|
5.5
|
9.7
|
3.2
|
4
|
0.5
|
0.5
|
13.7
|
4.2
|
2.4
|
5
|
4
|
6000
|
|
BN-U3.5
|
是的
|
M3.5
|
6.4
|
6.5
|
10.7
|
3.7
|
3.8
|
|
|
14.5
|
4.2
|
2.4
|
5
|
4
|
6000
|
|
BN-U3.5/1
|
是的
|
M3.5
|
7.2
|
6.5
|
10.7
|
3.7
|
3.8
|
|
|
14.5
|
4.2
|
2.4
|
5
|
4
|
6000
|
|
BN-U4
|
|
M4
|
6.5
|
7.5
|
11.7
|
4.3
|
3.7
|
|
|
15.4
|
4.2
|
2.4
|
5
|
4
|
6000
|
|
BN-U4/1
|
是的
|
M4
|
8.5
|
7.5
|
11.7
|
4.3
|
3.7
|
|
|
15.4
|
4.2
|
2.4
|
5
|
4
|
6000
|
|
BN-U4/2
|
是的
|
M4
|
7.5
|
7.5
|
11.7
|
4.3
|
3.7
|
|
|
15.4
|
4.2
|
2.4
|
5
|
4
|
6000
|
|
BN-U5
|
是的
|
M5
|
8.5
|
7.5
|
11.7
|
5.3
|
3.7
|
|
|
15.4
|
4.2
|
2.4
|
5
|
4
|
5000
|
|
BN-U6
|
是的
|
M6
|
9.4
|
8.1
|
12.3
|
6.4
|
4.7
|
5
|
7
|
17
|
4.2
|
2.4
|
5
|
4
|
5000
|
|
BN-U6/1
|
是的
|
M6
|
12
|
9.2
|
13.4
|
6.4
|
7.1
|
5
|
7
|
20.5
|
4.2
|
2.4
|
5
|
4
|
4000
|
|
BN-U8
|
是的
|
M8
|
14
|
10
|
14.2
|
8.4
|
6.3
|
10
|
20
|
20.5
|
4.2
|
2.4
|
5
|
4
|
4000
|
|
BN-U10
|
是的
|
M10
|
17.5
|
13
|
17.25
|
10.5
|
7.7
|
20
|
35
|
25
|
4.2
|
2.4
|
5
|
4
|
2000
|
|
BN-U12
|
是的
|
M12
|
20
|
15.5
|
19.7
|
13
|
9
|
40
|
50
|
28.7
|
4.2
|
2.4
|
5
|
4
|
2000
|
|
材质和处理 |
重量和尺寸 |
包装信息 |
|
tipo
|
退火
|
螺栓直径
|
B [mm]
|
M [mm]
|
I [mm]
|
D [mm]
|
N [mm]
|
紧固扭矩(建议值?UL?) (高导电螺钉) [nm]
|
紧固扭矩(建议值?UL?) (8.8级螺钉) [nm]
|
L [mm]
|
A [mm]
|
Ø [mm]
|
电缆剥皮长度 [mm]
|
Ø1 [mm]
|
标准包装单位 [pce
注意:并非所有资源都以您的语言提供。如果未以您选择的语言显示产品信息,则会显示该信息。 随着时间的推移,我们将继续改善体验。
|
|---|