A-P平卡套耳

A-P平卡套耳

平卡套耳,用于铜导体 A-P 系列电缆耳由纯度超过 99.9% 的电解铜带制成。它们是连接带有活动板的扁平耦合设备的理想选择。 由于采用了银合金钎焊、电解退火和镀锡工艺,这种连接器更容易压缩,抗机械应力能力更强。

产品特征

  • 技术信息
  • 材质和处理
  • 重量和尺寸
  • 类别和数据排列
  • 认证
最低工作温度
-50   °C
最高工作温度
150   °C
表面处理
镀锡
导体材质
电解铜纯度99.95%以上
退火
是的
铜焊接套
是的
包头类型
平的
海关编码
85369010
符合ROHS标准
Yes

产品型号

A-P
技术信息 重量和尺寸 包装信息
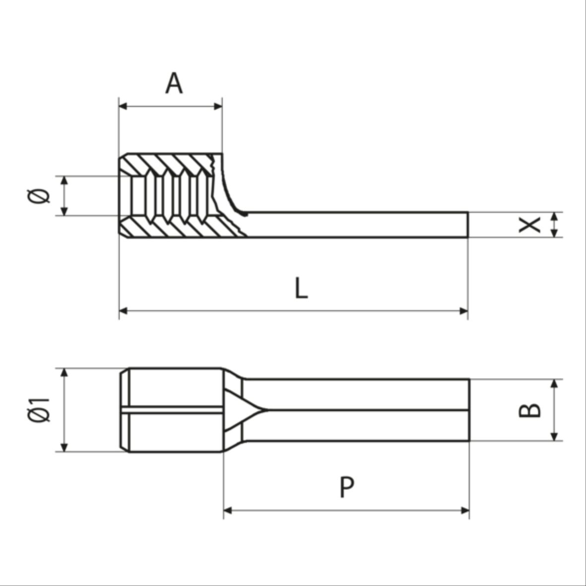
tipo 压接的几何形态 电缆截面范围 (柔性) [mm²] 电缆截面范围 (低绞合) [mm²] 电缆截面范围 [mm²] B [mm] P [mm] L [mm] A [mm] Ø [mm] 电缆剥皮长度 [mm] Ø1 [mm] 最小包装单元 [pce] 标准包装单位 [pce]
A2-P12 六角; 缩进 10 4.3 14.5 23.5 9 4.8 10 6.8 100 1500
A3-P14 六角; 缩进 16 5.5 18 28 10 5.9 11 7.9 100 1000
A5-P16 六角; 缩进 25 7 20.3 32 11.7 7 13 9.3 100 500
A7-P20 六角; 缩进 25 - 35 35 8 24.5 39 14 8.9 16 11.7 100 500
A10-P25 六角; 缩进 35 - 50 50 9.5 26 45 19 10 21 50 250
A14-P30 缩进; 六角 50 - 70 70 11 31 55 24 11.5 27 50 200

注意:并非所有资源都以您的语言提供。如果未以您选择的语言显示产品信息,则会显示该信息。 随着时间的推移,我们将继续改善体验。

产品信息

  • 品牌: 森博尔 CEMBRE
  • 分类: 适用于铜线
  • 认证:
  • 描述: A-P 系列电缆耳由纯度超过 99.9% 的电解铜带制成。它们是连接带有活动板的扁平耦合设备的理想选择。
    由于采用了银合金钎焊、电解退火和镀锡工艺,这种连接器更容易压缩,抗机械应力能力更强。

热门搜索