A-PR

A-PR

圆形卡套耳,用于铜导体 A-PR 系列电缆耳由纯度超过 99.9% 的电解铜带制成。它们是连接装有套管式端子或带有活动板的扁平连接设备的理想选择。 由于采用了银合金钎焊、电解退火和镀锡工艺,这种连接器更容易压缩,抗机械应力能力更强。

产品特征

  • 技术信息
  • 材质和处理
  • 重量和尺寸
  • 包装信息
  • 类别和数据排列
  • 认证
最低工作温度
-50   °C
最高工作温度
150   °C
表面处理
镀锡
压接的几何形态
六角; 缩进
导体材质
电解铜纯度99.95%以上
退火
是的
铜焊接套
是的
包头类型
包头宽度
4   mm
包头长度
22   mm
最小包装单元
100   PCE
海关编码
85369010
符合ROHS标准
Yes

产品型号

A-PR
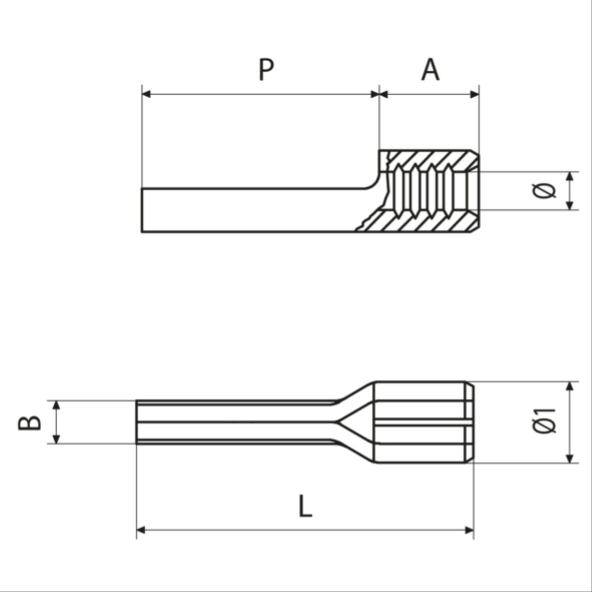
技术信息 重量和尺寸 包装信息
tipo 电缆截面范围 [mm²] L [mm] A [mm] Ø [mm] 电缆剥皮长度 [mm] Ø1 [mm] 标准包装单位 [pce]
A3-P22R 16 32 10 5.9 11 8.7 1000
A5-P22R 25 33.7 11.7 7 13 9.8 500

注意:并非所有资源都以您的语言提供。如果未以您选择的语言显示产品信息,则会显示该信息。 随着时间的推移,我们将继续改善体验。

产品信息

  • 品牌: 森博尔 CEMBRE
  • 分类: 适用于铜线
  • 认证:
  • 描述: A-PR 系列电缆耳由纯度超过 99.9% 的电解铜带制成。它们是连接装有套管式端子或带有活动板的扁平连接设备的理想选择。
    由于采用了银合金钎焊、电解退火和镀锡工艺,这种连接器更容易压缩,抗机械应力能力更强。

热门搜索