CCC-M

CCC-M

CCC 系列电缆耳是连接 35 mm2 CAT 铜/钢电缆的理想选择。907/697. 电缆耳的特殊入口允许电缆的绝缘层被压缩在内部,从而确保防止氧化,避免使用热缩套管。 电缆耳的挡板可确保即使在剧烈应力下也能保持最大的稳定性。没有检查孔有助于防止湿气和灰尘进入。 电缆耳环的尺寸可以在不影响连接器强

产品特征

  • 技术信息
  • 材质和处理
  • 类别和数据排列
最低工作温度
-50   °C
最高工作温度
150   °C
接环孔数量
1
存在快接入口
是的
表面处理
镀锡
压接的几何形态
六角
导体材质
电解铜纯度99.95%以上
退火
是的
海关编码
85369010

产品型号

CCC-M
技术信息 重量和尺寸 包装信息
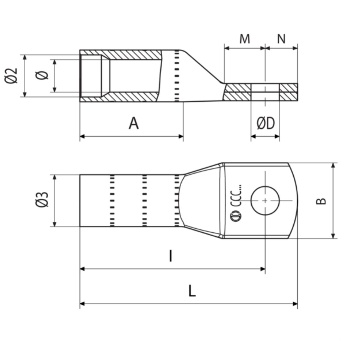
tipo 最高工作电压 [kv] 电缆截面范围 [mm²] 螺栓直径 ØD [mm] B [mm] N [mm] M [mm] I [mm] 紧固扭矩(建议值?UL?) (高导电螺钉) [nm] 紧固扭矩(建议值?UL?) (8.8级螺钉) [nm] L [mm] A [mm] A (导体) [mm] A (绝缘) [mm] Ø (绝缘) [mm] Ø (导体) [mm] 电缆剥皮长度 [mm] Ø1 [mm] 最小包装单元 [pce] 标准包装单位 [pce]
CCC35-M10/1 33 35 M10 10.5 25 11 13 64 35 20 75 41 31 10 12.5 10 31 16 25 75
CCC35-M12/1 33 35 M12 13.2 25 14 16 67 40 50 81 41 31 10 12.5 10 31 16 25 75
CCC150-M12/1 33 150 M12 13.2 36.5 14 18 92 40 50 106 32 20 22 17 35 27 5 25
CCC95-M12 95 M12 13.2 35 15 18 84 40 50 99 48 38 10 19.5 15 42 24 15 30

注意:并非所有资源都以您的语言提供。如果未以您选择的语言显示产品信息,则会显示该信息。 随着时间的推移,我们将继续改善体验。

产品信息

  • 品牌: 森博尔 CEMBRE
  • 分类: 适用于铜线
  • 认证:
  • 描述: CCC 系列电缆耳是连接 35 mm2 CAT 铜/钢电缆的理想选择。907/697.
    电缆耳的特殊入口允许电缆的绝缘层被压缩在内部,从而确保防止氧化,避免使用热缩套管。
    电缆耳的挡板可确保即使在剧烈应力下也能保持最大的稳定性。没有检查孔有助于防止湿气和灰尘进入。
    电缆耳环的尺寸可以在不影响连接器强

热门搜索