PKK

PKK

端子管,预绝缘PA6,用于柔性铜导线 PKK 端子管,预绝缘PA6,用于柔性铜导线

产品特征

  • 技术信息
  • 材质和处理
  • 包装信息
  • 类别和数据排列
  • 认证
最低工作温度
-20   °C
最高工作温度
115   °C
短时运行温度阈值
130   °C
存在快接入口
是的
表面处理
镀锡
压接的几何形态
梯形; 方形
导体材质
绝缘套材质
聚酰胺
退火
是的
不含卤素
是的
最小包装单元
100   PCE
标准包装单位
100   PCE
海关编码
85369010
符合ROHS标准
Yes

产品型号

PKK
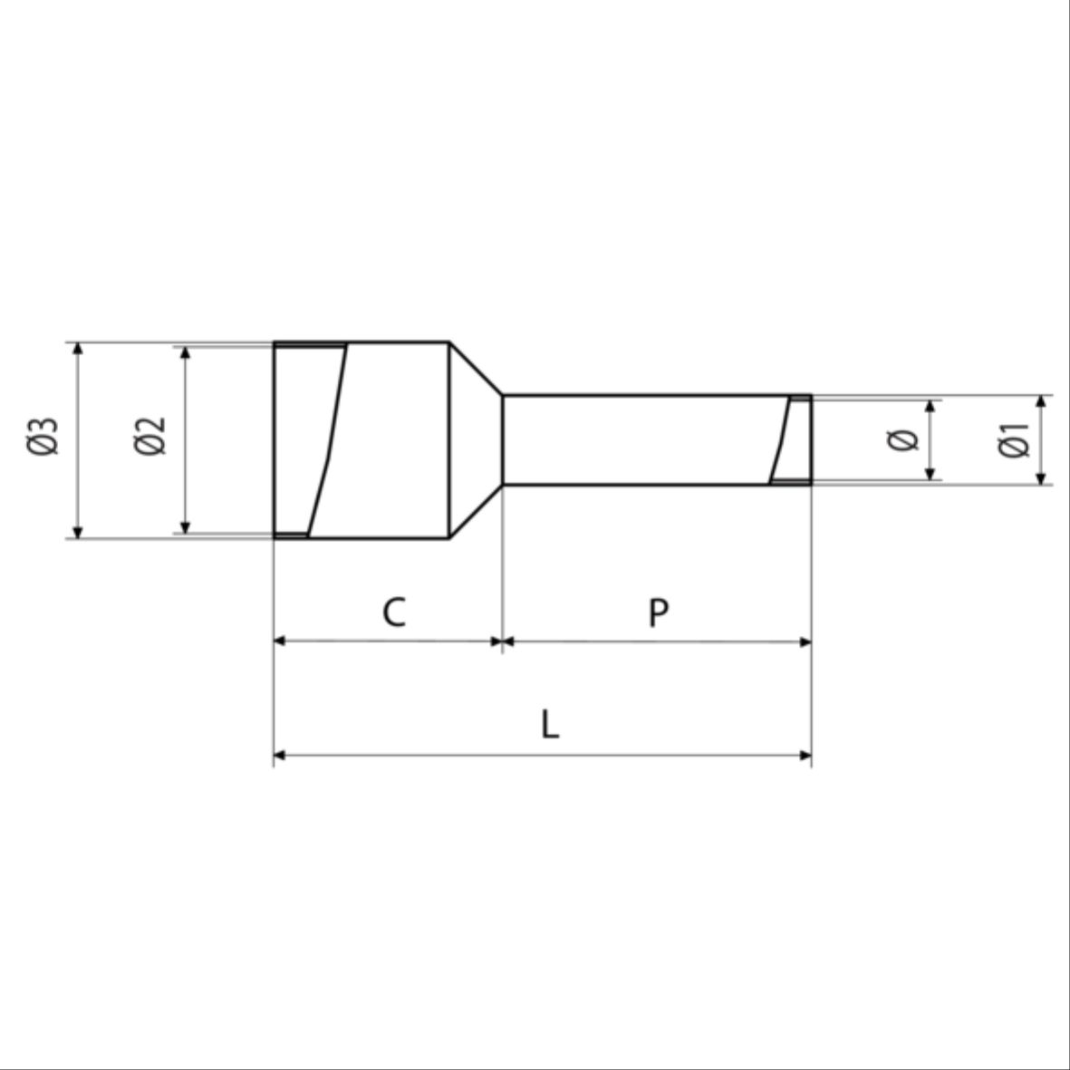
技术信息 重量和尺寸
tipo 绝缘套颜色 电缆截面范围 [mm²] C [mm] Ø2 [mm] 电缆剥皮长度 [mm] Ø1 [mm] P [mm] L [mm]
PKK1508 黑色 1.5 9.5 6.4 8 1.8 8 17.5
PKK1510 黑色 1.5 9.5 6.4 10 1.8 10 19.5
PKK2508 蓝色 2.5 9.5 7.3 8 2.3 8 17.5
PKK2512 蓝色 2.5 9.5 7.3 12 2.3 12 21.5
PKK410 灰色 4 9.5 7.3 10 2.9 10 19.5
PKK612 黄色 6 11 8.1 12 3.6 12 23
PKK1012 红色 10 12 9.6 12 4.6 12 24
PKK1612 蓝色 16 13.5 11.9 12 6 12 25.5

注意:并非所有资源都以您的语言提供。如果未以您选择的语言显示产品信息,则会显示该信息。 随着时间的推移,我们将继续改善体验。

产品信息

  • 品牌: 森博尔 CEMBRE
  • 分类: 双线管形端子
  • 认证:
  • 描述: PKK 端子管,预绝缘PA6,用于柔性铜导线

热门搜索