KY-M加强型防震孔耳
防震加固孔眼电缆插头,预绝缘PA6.6,用于铜导线,无卤素

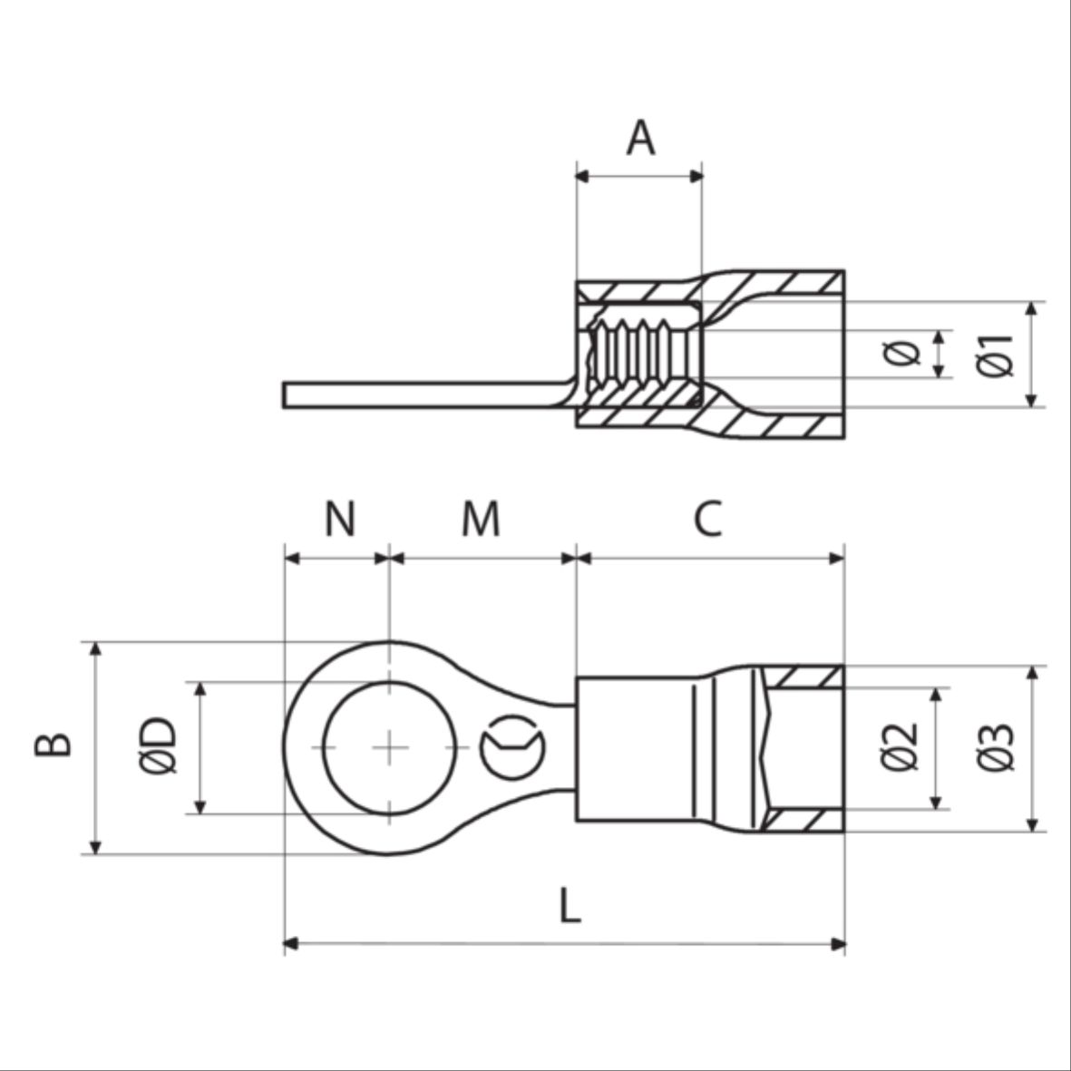
KY 系列加强型电缆挂耳由纯度超过 99.9% 的电解铜带制成。它们是在持续受力、振动和摆动的环境中(如机械内部)进行连接的理想选择。
漏斗形铜管夹在套圈和绝缘外套之间,因此这种接线片具有极高的强度。 除了便于导体插入外,这种铜管还能在压缩过程中沿着导体绝缘层变形,从而提高整体机械密封性和连接质量。
产品型号
RKY-M
绝缘套颜色
红色
电缆截面范围 [mm²]
0.25 ÷ 1.5
|
重量和尺寸 |
包装信息 |
认证 |
|
tipo
|
螺栓直径
|
ØD [mm]
|
B [mm]
|
N [mm]
|
M [mm]
|
紧固扭矩(建议值?UL?) (高导电螺钉) [nm]
|
紧固扭矩(建议值?UL?) (8.8级螺钉) [nm]
|
L [mm]
|
C [mm]
|
Ø2 [mm]
|
电缆剥皮长度 [mm]
|
标准包装单位 [pce]
|
符合ROHS标准
|
EN 45545-2认证 (r22)
|
EN 45545-2认证 (r23)
|
参考标准
|
|
RKY-M3
|
M3
|
3.2
|
5.5
|
2.5
|
5
|
0.5
|
0.5
|
18.5
|
11
|
4.5
|
6
|
3000
|
Yes
|
|
|
|
|
RKY-M3.5
|
M3.5
|
3.7
|
5.5
|
2.5
|
5
|
|
|
18.5
|
11
|
4.5
|
6
|
3000
|
Yes
|
|
|
|
|
RKY-M3.5/1
|
M3.5
|
3.7
|
6.6
|
3.1
|
6.3
|
|
|
20.4
|
11
|
4.5
|
6
|
3000
|
Yes
|
|
|
|
|
RKY-M4
|
M4
|
4.3
|
6.6
|
3.1
|
6.3
|
|
|
20.4
|
11
|
4.5
|
6
|
3000
|
Yes
|
|
|
|
|
RKY-M5
|
M5
|
5.3
|
8
|
3.8
|
7
|
|
|
21.8
|
11
|
4.5
|
6
|
2500
|
Yes
|
HL1 [R22]
|
HL3 [R23]
|
UNI EN 1652:1999
|
|
RKY-M6/1
|
M6
|
6.4
|
11.6
|
5.8
|
11
|
5
|
7
|
27.8
|
11
|
4.5
|
6
|
2000
|
Yes
|
|
|
|
|
RKY-M8
|
M8
|
8.4
|
11.6
|
5.8
|
11
|
10
|
20
|
27.8
|
11
|
4.5
|
6
|
2500
|
Yes
|
|
|
|
|
RKY-M10
|
M10
|
10.5
|
13.6
|
6.6
|
13.9
|
20
|
35
|
31.5
|
11
|
4.5
|
6
|
1500
|
Yes
|
|
|
|
|
RKY-M12
|
M12
|
13
|
19.6
|
9.4
|
16
|
40
|
50
|
36.4
|
11
|
4.5
|
6
|
1500
|
Yes
|
|
|
|
BKY-M
绝缘套颜色
蓝色
电缆截面范围 [mm²]
1.5 ÷ 2.5
|
重量和尺寸 |
包装信息 |
认证 |
|
tipo
|
螺栓直径
|
ØD [mm]
|
B [mm]
|
N [mm]
|
M [mm]
|
紧固扭矩(建议值?UL?) (高导电螺钉) [nm]
|
紧固扭矩(建议值?UL?) (8.8级螺钉) [nm]
|
L [mm]
|
C [mm]
|
Ø2 [mm]
|
电缆剥皮长度 [mm]
|
标准包装单位 [pce]
|
符合ROHS标准
|
|
BKY-M3
|
M3
|
3.2
|
6.6
|
3
|
4.8
|
0.5
|
0.5
|
18.8
|
11
|
5.2
|
6
|
2500
|
Yes
|
|
BKY-M3.5
|
M3.5
|
3.7
|
6.6
|
3
|
4.8
|
|
|
18.8
|
11
|
5.2
|
6
|
2500
|
Yes
|
|
BKY-M3.5/1
|
M3.5
|
3.7
|
6.6
|
3.1
|
6.3
|
|
|
20.4
|
11
|
5.2
|
6
|
2500
|
Yes
|
|
BKY-M4
|
M4
|
4.3
|
8.5
|
4
|
7.8
|
|
|
22.8
|
11
|
5.2
|
6
|
2500
|
Yes
|
|
BKY-M5
|
M5
|
5.3
|
8.5
|
4
|
7.8
|
|
|
22.8
|
11
|
5.2
|
6
|
2500
|
Yes
|
|
BKY-M6/1
|
M6
|
6.4
|
12
|
5.8
|
11
|
5
|
7
|
27.8
|
11
|
5.2
|
6
|
2000
|
Yes
|
|
BKY-M8
|
M8
|
8.4
|
12
|
5.8
|
11
|
10
|
20
|
27.8
|
11
|
5.2
|
6
|
1500
|
Yes
|
|
BKY-M10
|
M10
|
10.5
|
13.6
|
6.6
|
13.9
|
20
|
35
|
31.5
|
11
|
5.2
|
6
|
1500
|
Yes
|
|
BKY-M12
|
M12
|
13
|
19.2
|
9.4
|
19.2
|
40
|
50
|
36.4
|
11
|
5.2
|
6
|
1000
|
Yes
|
GKY-M
绝缘套颜色
黄色
电缆截面范围 [mm²]
4 ÷ 6
|
技术信息 |
重量和尺寸 |
包装信息 |
认证 |
|
tipo
|
最高工作电压 [v]
|
螺栓直径
|
ØD [mm]
|
B [mm]
|
N [mm]
|
M [mm]
|
紧固扭矩(建议值?UL?) (高导电螺钉) [nm]
|
紧固扭矩(建议值?UL?) (8.8级螺钉) [nm]
|
L [mm]
|
C [mm]
|
Ø2 [mm]
|
Ø [mm]
|
电缆剥皮长度 [mm]
|
标准包装单位 [pce]
|
符合ROHS标准
|
|
GKY-M3.5
|
600
|
M3.5
|
3.7
|
7.2
|
3.6
|
6.1
|
|
|
22.7
|
13
|
7
|
3.4
|
8
|
1000
|
Yes
|
|
GKY-M4
|
600
|
M4
|
4.3
|
9.5
|
4.5
|
9.1
|
|
|
26.6
|
13
|
7
|
3.4
|
8
|
1000
|
Yes
|
|
GKY-M5
|
600
|
M5
|
5.3
|
9.5
|
4.5
|
9.1
|
|
|
26.6
|
13
|
7
|
3.4
|
8
|
1000
|
Yes
|
|
GKY-M6
|
600
|
M6
|
6.4
|
12
|
6
|
10.5
|
5
|
7
|
29.5
|
13
|
7
|
3.4
|
8
|
1000
|
Yes
|
|
GKY-M8
|
600
|
M8
|
8.4
|
15
|
7.5
|
13.5
|
10
|
20
|
34
|
13
|
7
|
3.4
|
8
|
1000
|
Yes
|
|
GKY-M10
|
600
|
M10
|
10.5
|
15
|
7.5
|
13.5
|
20
|
35
|
34
|
13
|
7
|
3.4
|
8
|
1000
|
Yes
|
|
GKY-M12
|
600
|
M12
|
13
|
19.2
|
9.6
|
16
|
40
|
50
|
38.6
|
13
|
7
|
3.4
|
8
|
1000
|
Yes
|
|
GKY-M14
|
600
|
注意:并非所有资源都以您的语言提供。如果未以您选择的语言显示产品信息,则会显示该信息。 随着时间的推移,我们将继续改善体验。