KY-U加强型防震叉耳
抗震加固叉形接线片,预绝缘PA6.6,用于铜导线,无卤素

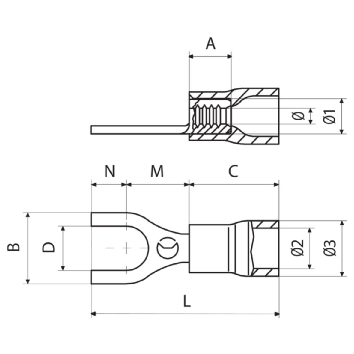
KY 系列加强型电缆挂耳由纯度超过 99.9% 的电解铜带制成。它们是在持续受力、振动和摆动的环境中(如机械内部)进行连接的理想选择。
漏斗形铜管夹在套圈和绝缘外套之间,因此这种接线片具有极高的强度。 除了便于导体插入外,这种铜管还能在压缩过程中沿着导体绝缘层变形,从而提高整体机械密封性和连接质量。
产品特征
- 技术信息
- 材质和处理
- 包装信息
- 类别和数据排列
- 认证
产品型号
RKY-U
绝缘套颜色
红色
电缆截面范围 [mm²]
0.25 ÷ 1.5
|
重量和尺寸 |
包装信息 |
|
tipo
|
螺栓直径
|
B [mm]
|
M [mm]
|
D [mm]
|
N [mm]
|
紧固扭矩(建议值?UL?) (高导电螺钉) [nm]
|
紧固扭矩(建议值?UL?) (8.8级螺钉) [nm]
|
L [mm]
|
C [mm]
|
Ø2 [mm]
|
电缆剥皮长度 [mm]
|
标准包装单位 [pce]
|
|
RKY-U3
|
M3
|
5.7
|
6.5
|
3.2
|
4.5
|
0.5
|
0.5
|
22
|
11
|
4.5
|
6
|
2500
|
|
RKY-U3.5
|
M3.5
|
5.7
|
6.5
|
3.7
|
4.5
|
|
|
22
|
11
|
4.5
|
6
|
2500
|
|
RKY-U4
|
M4
|
6.4
|
6.5
|
4.3
|
4.5
|
|
|
22
|
11
|
4.5
|
6
|
3000
|
|
RKY-U5
|
M5
|
8.1
|
6.5
|
5.3
|
4.5
|
|
|
22
|
11
|
4.5
|
6
|
3000
|
|
RKY-U6
|
M6
|
9.5
|
6.5
|
6.4
|
4.5
|
5
|
7
|
22
|
11
|
4.5
|
6
|
2000
|
|
RKY-U6/1
|
M6
|
12
|
6.5
|
6.4
|
4.5
|
5
|
7
|
28
|
11
|
4.5
|
6
|
2000
|
BKY-U
绝缘套颜色
蓝色
电缆截面范围 [mm²]
1.5 ÷ 2.5
|
重量和尺寸 |
包装信息 |
|
tipo
|
螺栓直径
|
B [mm]
|
M [mm]
|
D [mm]
|
N [mm]
|
紧固扭矩(建议值?UL?) (高导电螺钉) [nm]
|
紧固扭矩(建议值?UL?) (8.8级螺钉) [nm]
|
L [mm]
|
C [mm]
|
Ø2 [mm]
|
电缆剥皮长度 [mm]
|
标准包装单位 [pce]
|
|
BKY-U3
|
M3
|
5.7
|
11
|
3.2
|
6
|
0.5
|
0.5
|
22
|
11
|
5.2
|
6
|
2500
|
|
BKY-U3.5
|
M3.5
|
6
|
6.5
|
3.7
|
4.5
|
|
|
22
|
11
|
5.2
|
6
|
2500
|
|
BKY-U4
|
M4
|
6.4
|
6.5
|
4.3
|
4.5
|
|
|
22
|
11
|
5.2
|
6
|
2500
|
|
BKY-U5
|
M5
|
7.9
|
6.5
|
5.3
|
4.5
|
|
|
22
|
11
|
5.2
|
6
|
2000
|
|
BKY-U6
|
M6
|
9.3
|
6.5
|
6.4
|
4.5
|
5
|
7
|
22
|
11
|
5.2
|
6
|
2000
|
|
BKY-U6/1
|
M6
|
12
|
11
|
6.4
|
6
|
5
|
7
|
28
|
11
|
5.2
|
6
|
2000
|
GKY-U
绝缘套颜色
黄色
电缆截面范围 [mm²]
4 ÷ 6
|
技术信息 |
重量和尺寸 |
包装信息 |
|
tipo
|
最高工作电压 [v]
|
螺栓直径
|
B [mm]
|
M [mm]
|
D [mm]
|
N [mm]
|
紧固扭矩(建议值?UL?) (高导电螺钉) [nm]
|
紧固扭矩(建议值?UL?) (8.8级螺钉) [nm]
|
L [mm]
|
C [mm]
|
Ø2 [mm]
|
Ø [mm]
|
电缆剥皮长度 [mm]
|
标准包装单位 [pce]
|
|
GKY-U3.5
|
600
|
M3.5
|
7.2
|
7.5
|
3.7
|
3.9
|
|
|
24.4
|
13
|
7
|
3.4
|
8
|
1000
|
|
GKY-U4
|
600
|
M4
|
7.2
|
7.5
|
4.3
|
3.9
|
|
|
24.4
|
13
|
7
|
3.4
|
8
|
1000
|
|
GKY-U5
|
600
|
M5
|
9
|
7
|
5.3
|
5.5
|
|
|
25.5
|
13
|
7
|
3.4
|
8
|
1000
|
|
GKY-U6
|
600
|
M6
|
12
|
12
|
6.4
|
6.5
|
5
|
7
|
31.5
|
13
|
7
|
3.4
|
8
|
1000
|
|
GKY-U8
|
600
|
M8
|
14
|
11
|
8.4
|
7
|
10
|
20
|
30.5
|
13
|
7
|
3.4
|
8
|
1000
|
注意:并非所有资源都以您的语言提供。如果未以您选择的语言显示产品信息,则会显示该信息。 随着时间的推移,我们将继续改善体验。